Curiosii for ever!
: Car repair manuals for everyone.
Home
>>
Chevy Truck
>>
1992
>>
G 10 Van V8-350 5.7L
>>
Repair and Diagnosis
>>
Locations
>>
Component Locations
>>
Modules
>>
Electronic Delay Module Assembly
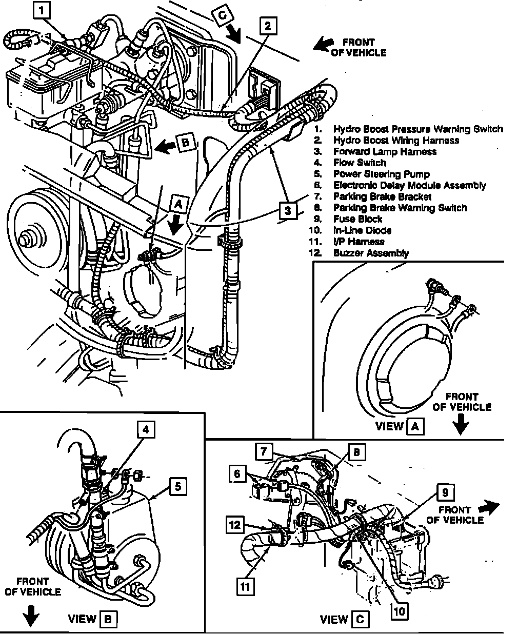
Electronic Delay Module Assembly
Hydro-Boost Brake System Components:
Behind LH Side Of I/P
Applicable to: G Series