Curiosii for ever!
: Car repair manuals for everyone.
Home
>>
Chevy Truck
>>
1992
>>
G 10 Van V8-350 5.7L
>>
Repair and Diagnosis
>>
Diagrams
>>
Electrical Diagrams
>>
Powertrain Management
>>
System Diagram
>>
Electronic/Powertrain Control Module (ECM/PCM)
>>
ECM/PCM Inputs/Outputs
>>
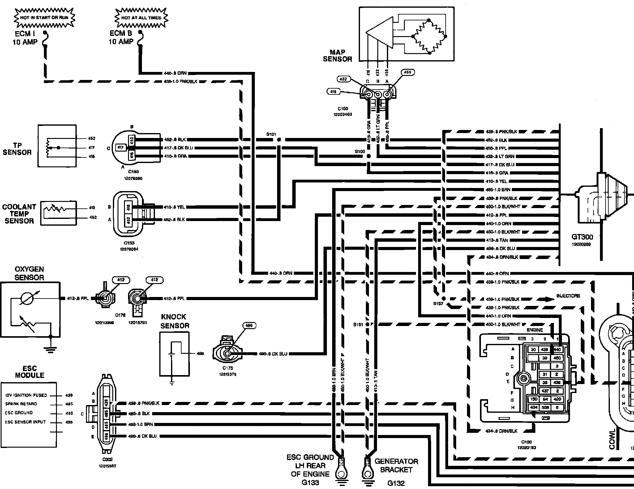
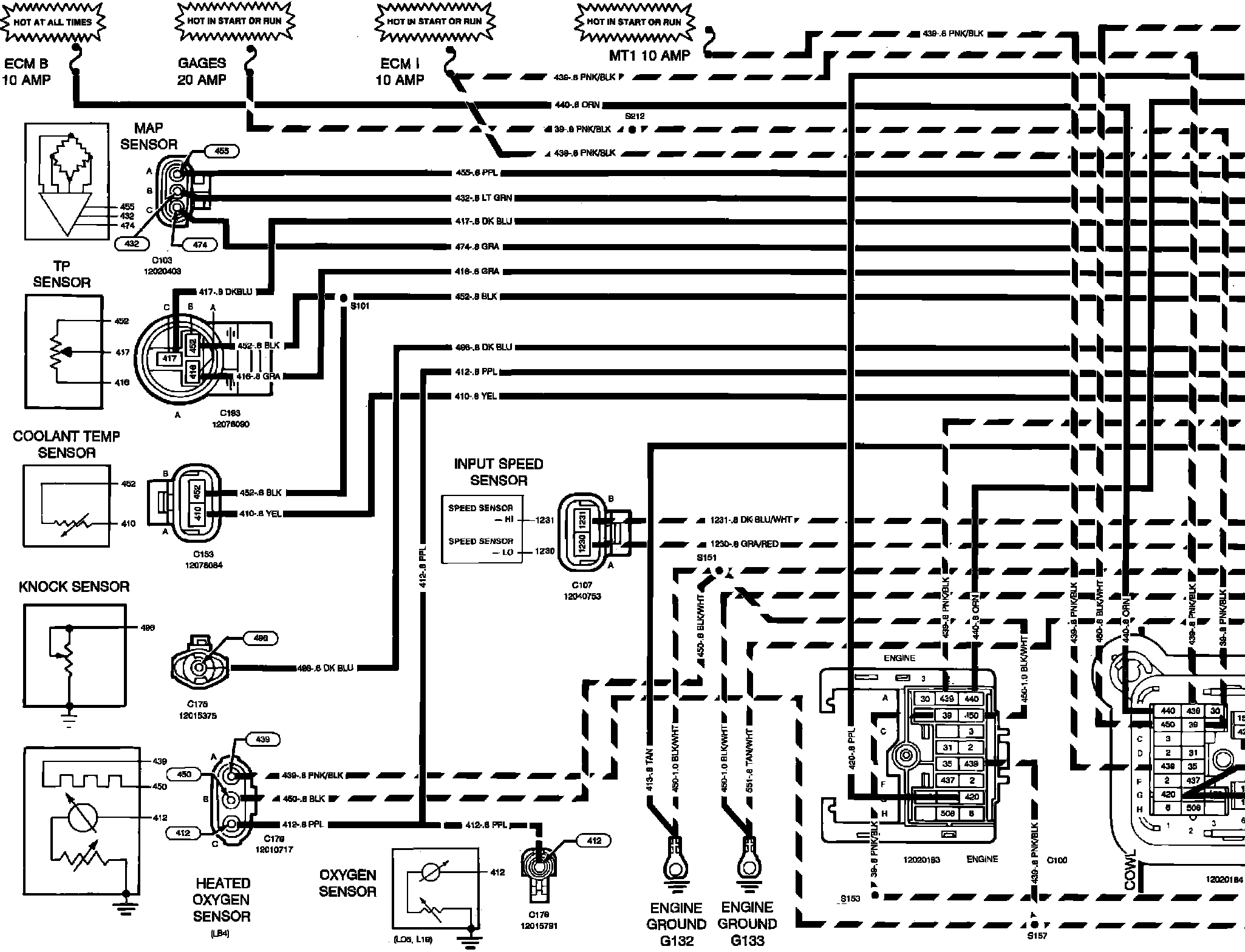
ECM/PCM Inputs
ECM/PCM Inputs
"��#Electronic Control Module (ECM) Inputs:
�#Electronic Control Module (ECM) Inputs:
Dp�#Powertrain Control Module (PCM) Input:
<��#Powertrain Control Module (PCM) Input: