Curiosii for ever!
: Car repair manuals for everyone.
Home
>>
Chevy Truck
>>
1991
>>
S10/T10 P/U 2WD V6-173 2.8L
>>
Repair and Diagnosis
>>
Powertrain Management
>>
Diagrams
>>
Electrical Diagrams
>>
Electronic/Powertrain Control Module (ECM/PCM)
>>
ECM/PCM Inputs/Outputs
>>
ECM/PCM Inputs
ECM/PCM Inputs
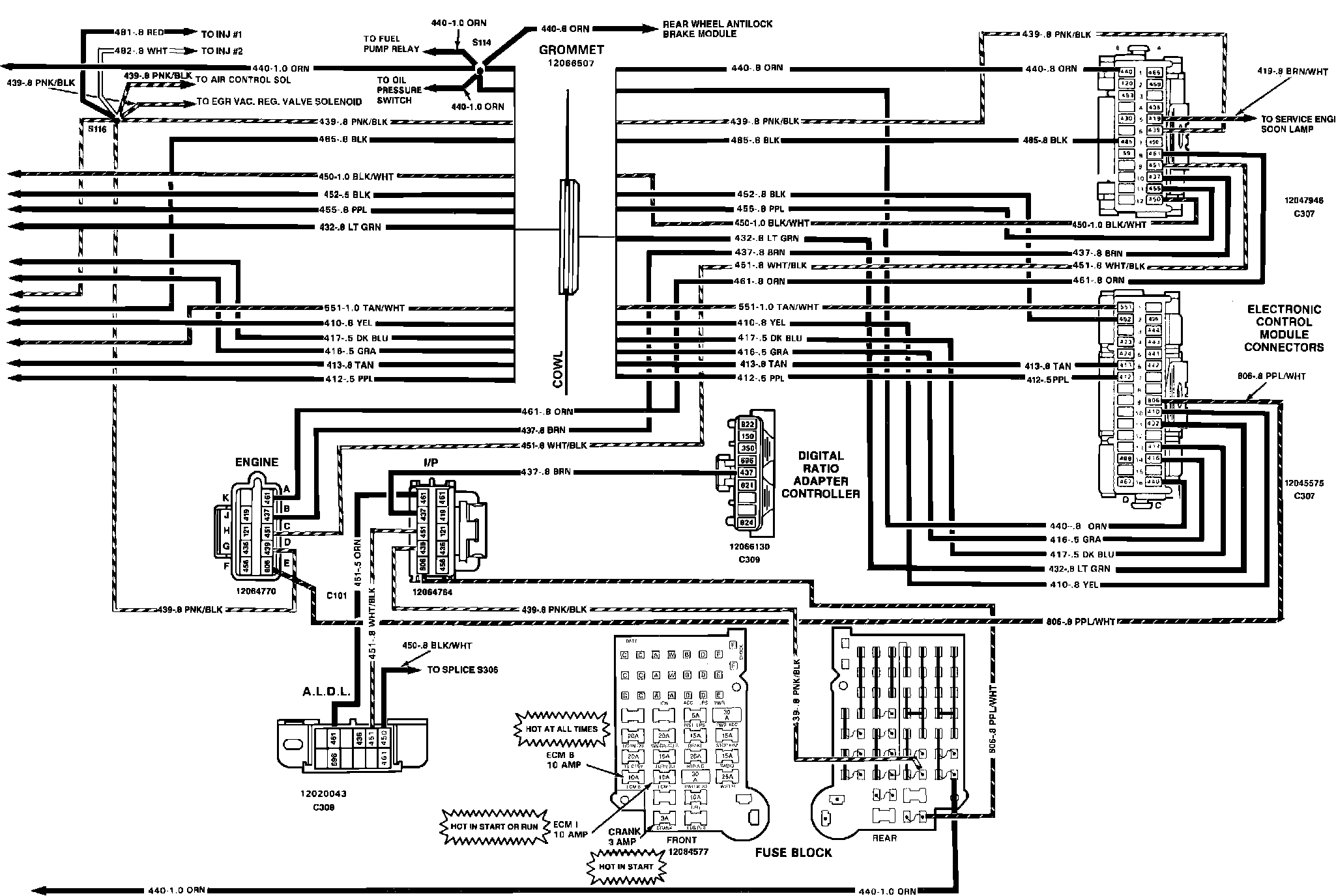
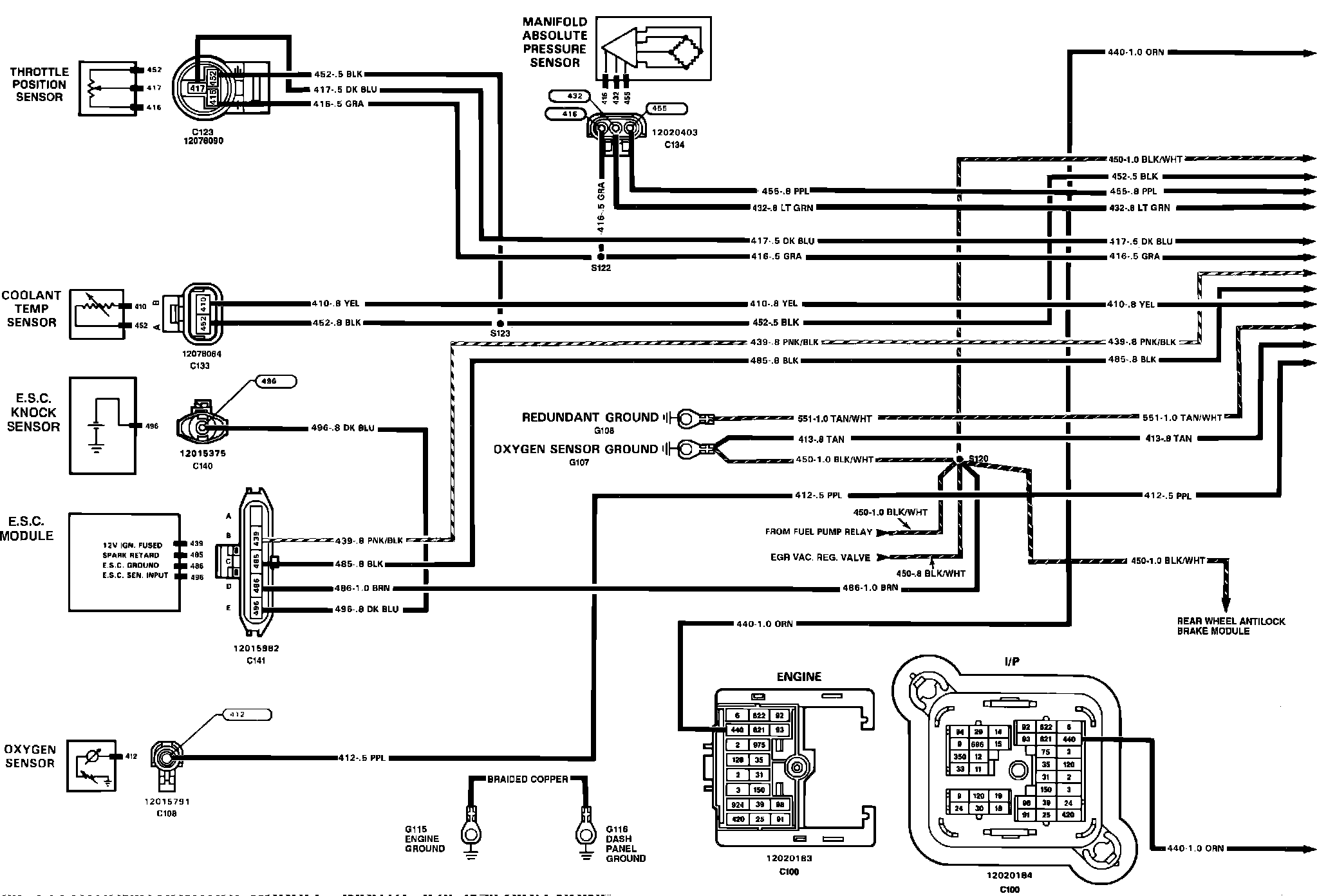
Electronic Control Module - Inputs (2.8L):
Y��#Electronic Control Module - Inputs (2.8L):