Curiosii for ever!
: Car repair manuals for everyone.
Home
>>
Chevy Truck
>>
1991
>>
S10/T10 P/U 2WD L4-151 2.5L
>>
Repair and Diagnosis
>>
Powertrain Management
>>
Computers and Control Systems
>>
Oxygen Sensor
>>
Locations
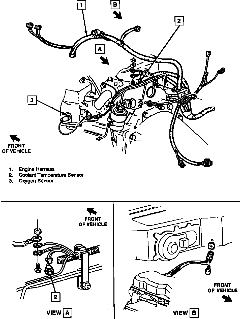
Oxygen Sensor: Locations
Rear Engine Components.:
LH Side Of Engine, In Exhaust Manifold
Applicable to: 2.5L/4-151 Engine