Curiosii for ever!
: Car repair manuals for everyone.
Home
>>
Chevy Truck
>>
1991
>>
R 30 P/U 2WD V8-454 7.4L
>>
Repair and Diagnosis
>>
Diagrams
>>
Electrical Diagrams
>>
Powertrain Management
>>
System Diagram
>>
Electronic/Powertrain Control Module (ECM/PCM)
>>
ECM/PCM Inputs/Outputs
>>
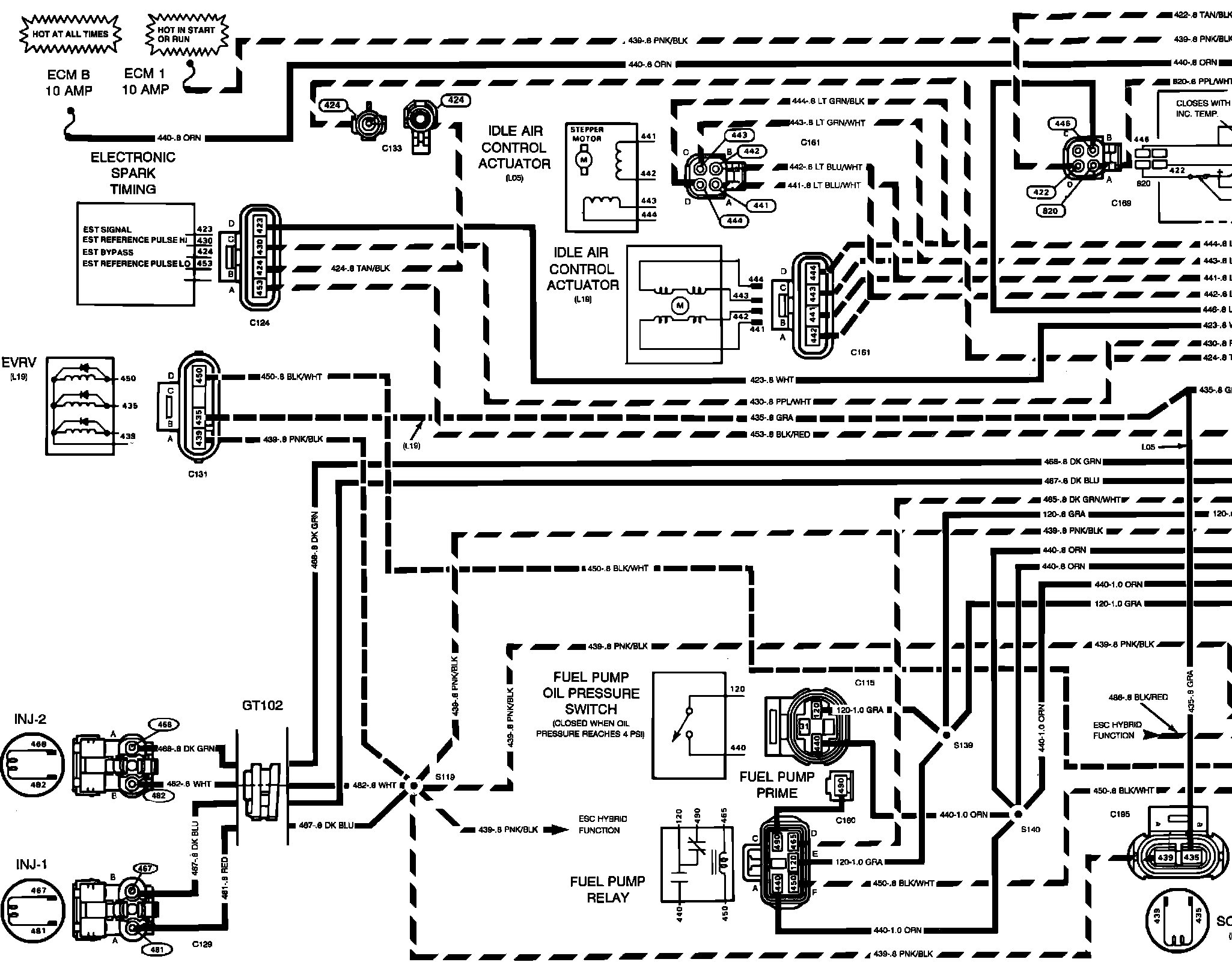
ECM Outputs
ECM Outputs
kJ$Electronic Control Module. Outputs:
6�$Electronic Control Module. Outputs: