Curiosii for ever!: Car repair manuals for everyone.

Cruise Control Module: Locations

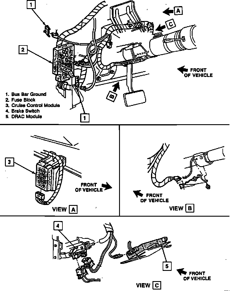
Cruise Control System Components:




Behind I/P, On LH Side Of Steering Column

Applicable to: R/V Series w/ Automatic Transmission

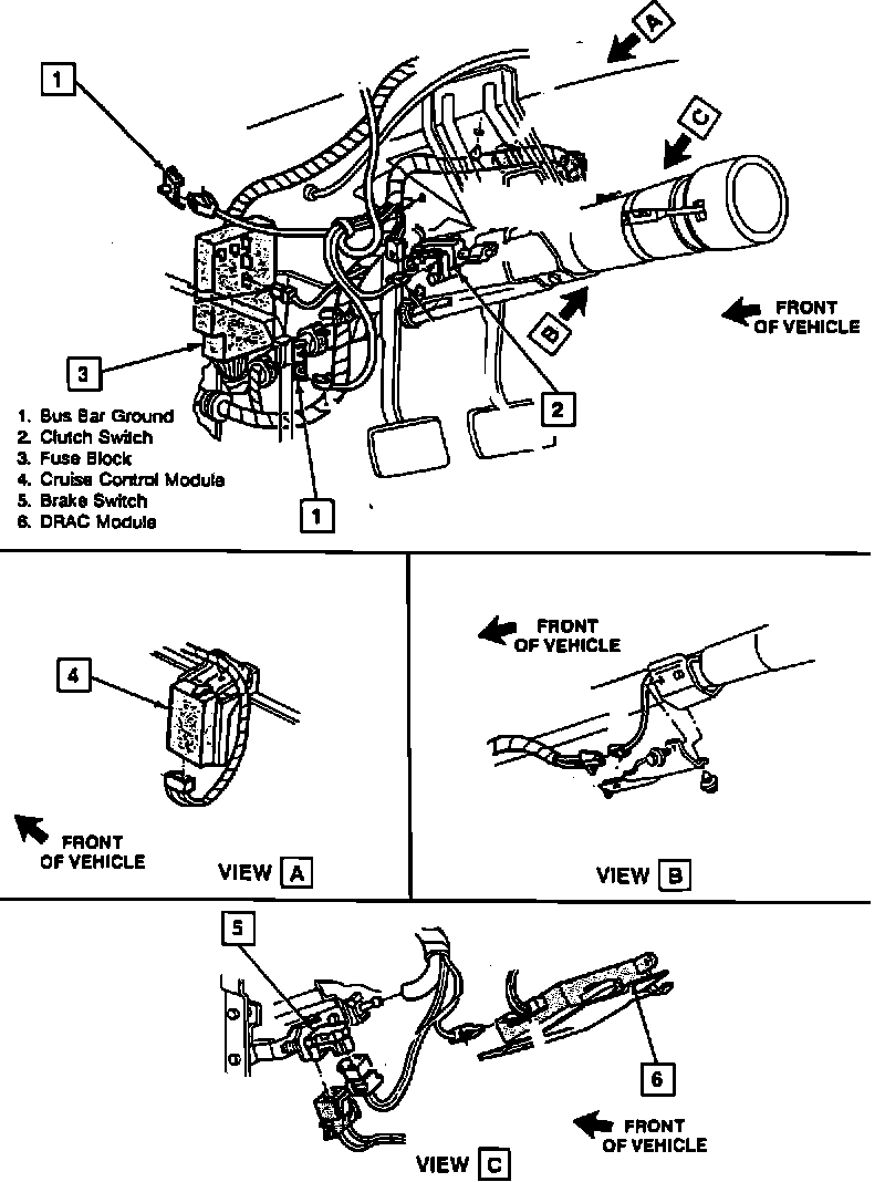
Cruise Control System Components:




Behind I/P, On LH Side Of Steering Column

Applicable to: R/V Series w/ Manual Transmission