Curiosii for ever!
: Car repair manuals for everyone.
Home
>>
Chevy Truck
>>
1991
>>
G 20 Van V8-379 6.2L DSL
>>
Repair and Diagnosis
>>
Powertrain Management
>>
Diagrams
>>
Electrical Diagrams
>>
Transmission Control Module (TCM)
>>
Inputs
Inputs
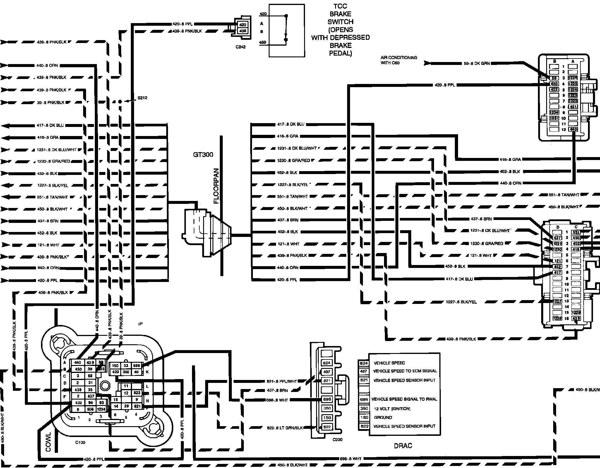
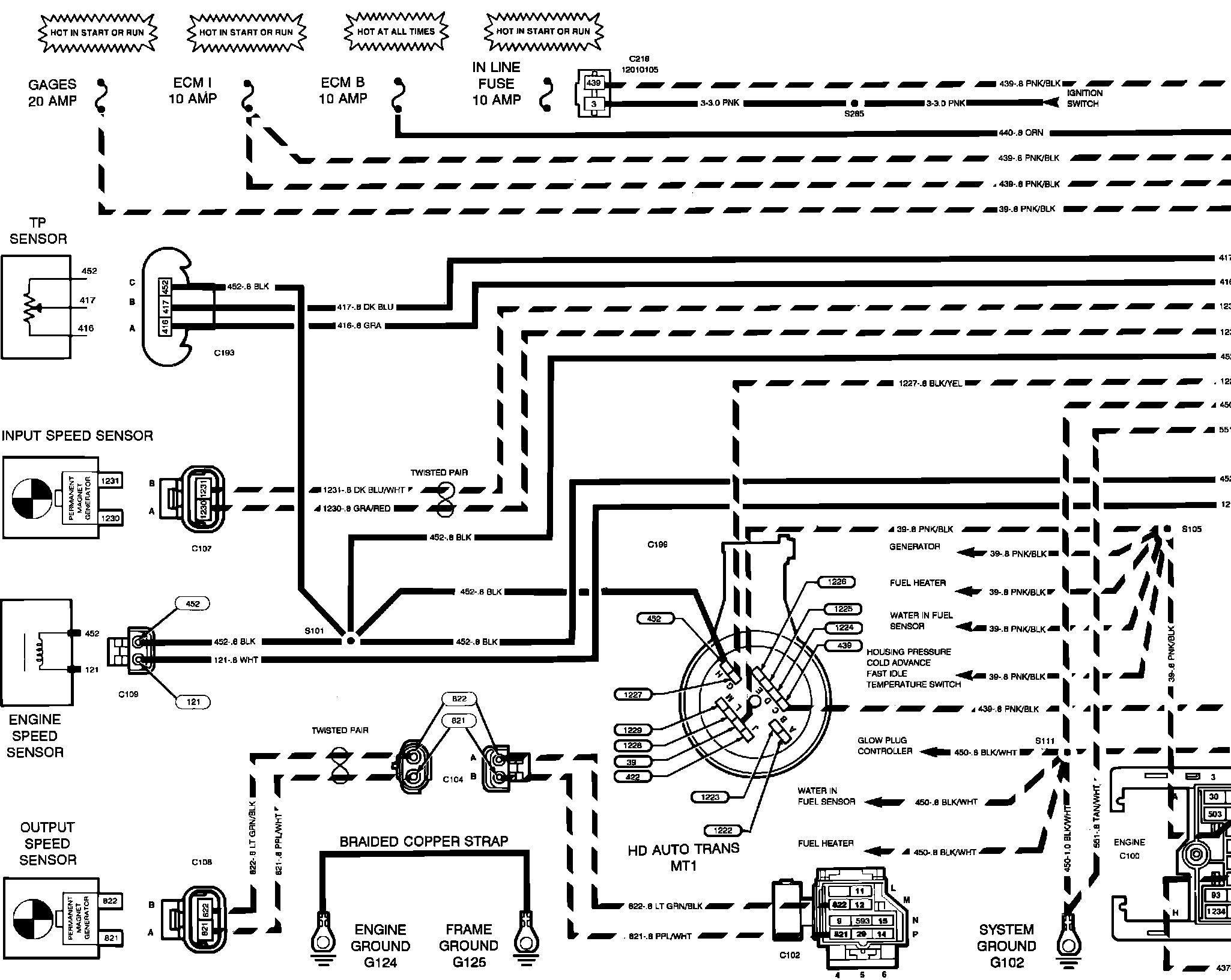
���%Transmission Control Module (TCM). Inputs:
���%Transmission Control Module (TCM). Input: