Curiosii for ever!
: Car repair manuals for everyone.
Home
>>
Chevy Truck
>>
1991
>>
G 20 Van V8-379 6.2L DSL
>>
Repair and Diagnosis
>>
Powertrain Management
>>
Diagrams
>>
Electrical Diagrams
>>
Electronic/Powertrain Control Module (ECM/PCM)
>>
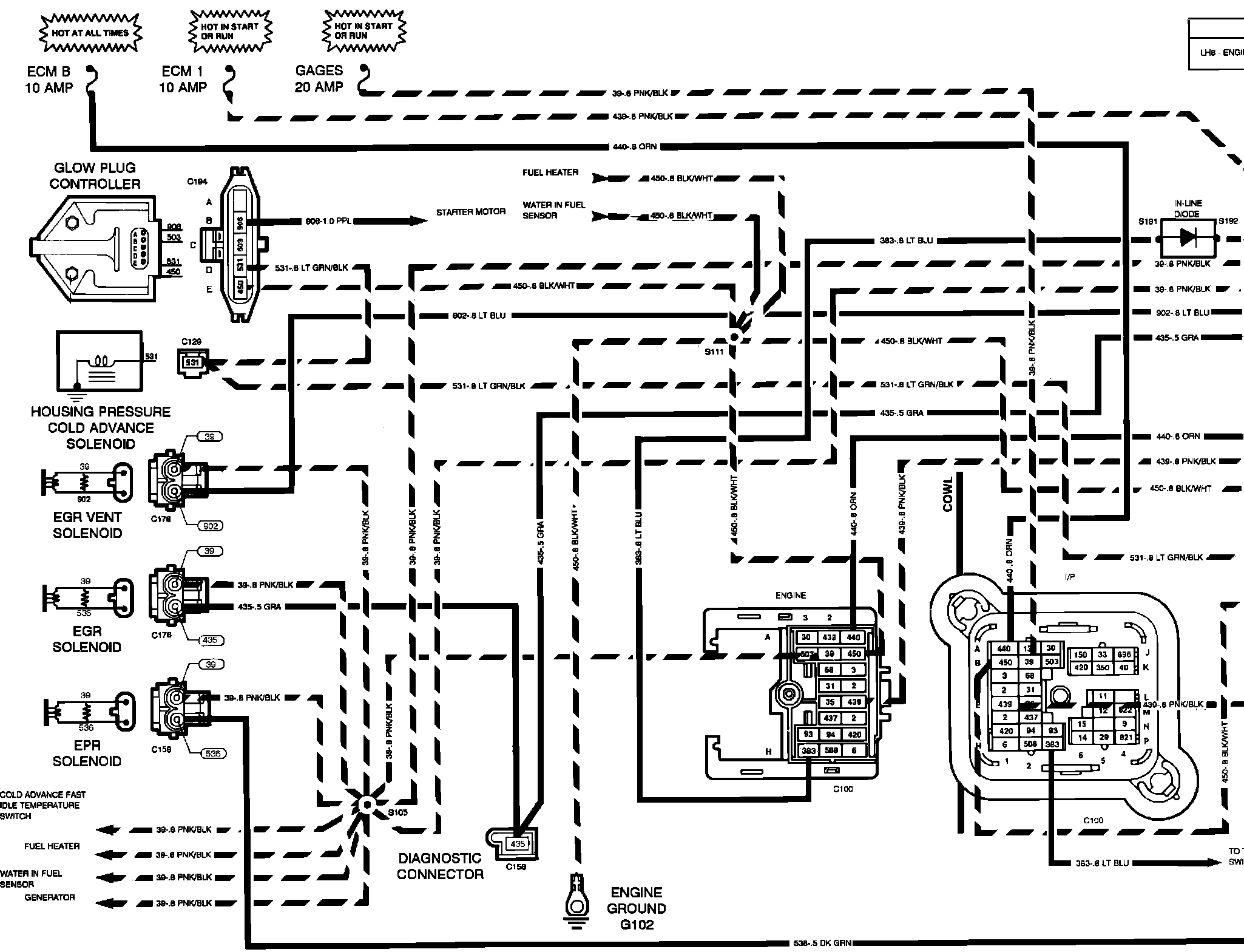
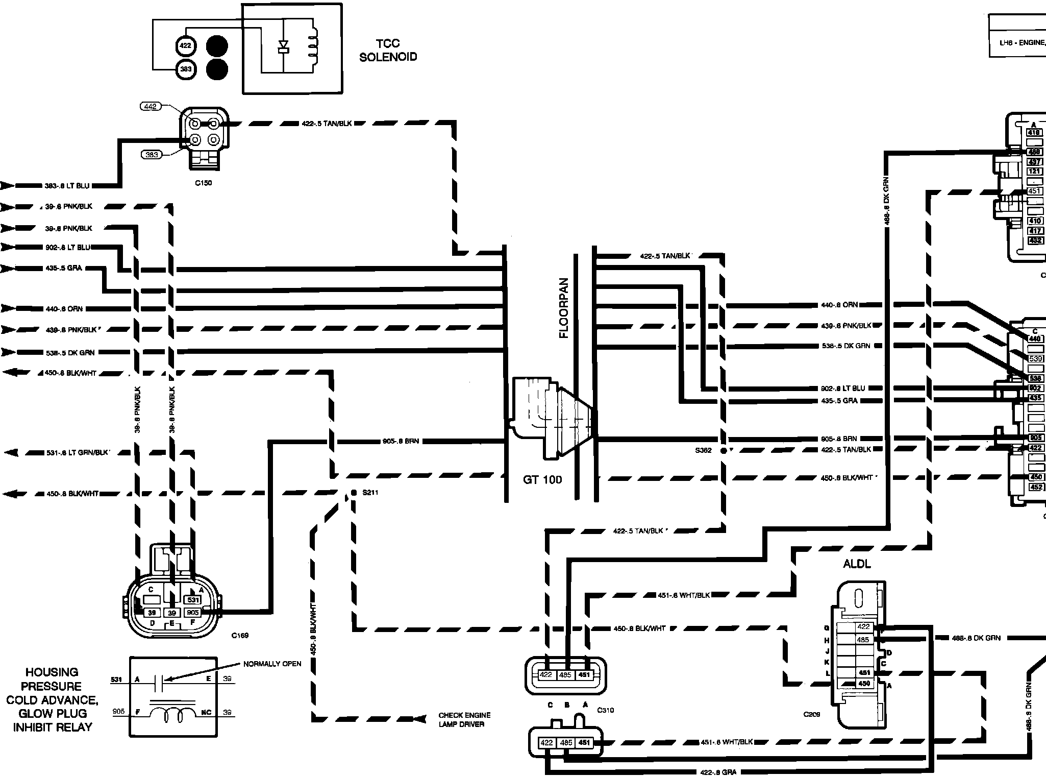
ECM/PCM Outputs
ECM/PCM Outputs
o\�#Electronic Control Module (ECM). Output:
��#Electronic Control Module (ECM). Output: