Curiosii for ever!
: Car repair manuals for everyone.
Home
>>
Chevy Truck
>>
1991
>>
G 20 Van V8-379 6.2L DSL
>>
Repair and Diagnosis
>>
Diagrams
>>
Electrical Diagrams
>>
Powertrain Management
>>
System Diagram
>>
Electronic/Powertrain Control Module (ECM/PCM)
>>
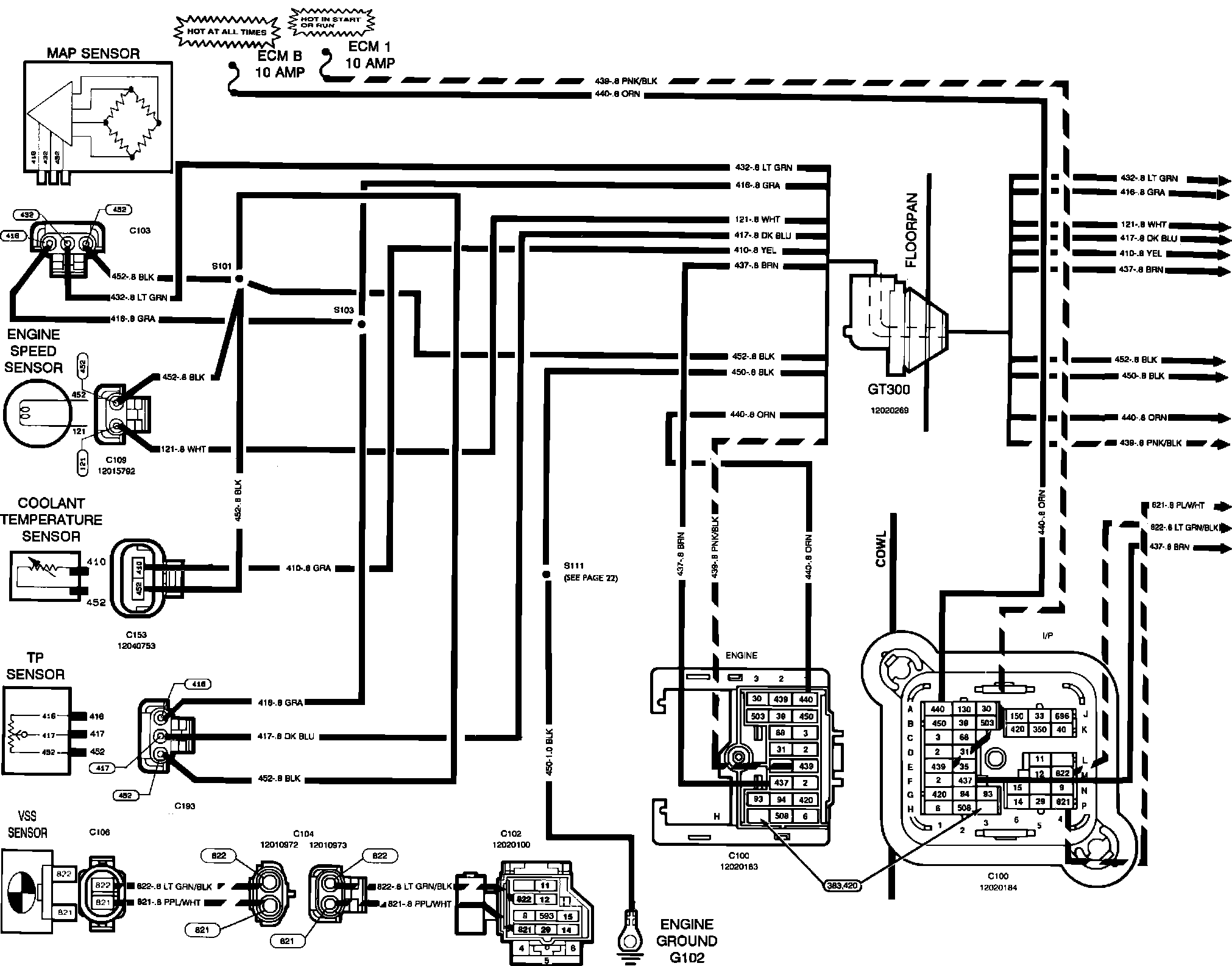
ECM/PCM Inputs
ECM/PCM Inputs
Electronic Control Module (ECM). Input:
Electronic Control Module (ECM). Input: