Curiosii for ever!
: Car repair manuals for everyone.
Home
>>
Chevy Truck
>>
1991
>>
G 10 Van V8-350 5.7L
>>
Repair and Diagnosis
>>
Diagrams
>>
Electrical Diagrams
>>
Powertrain Management
>>
System Diagram
>>
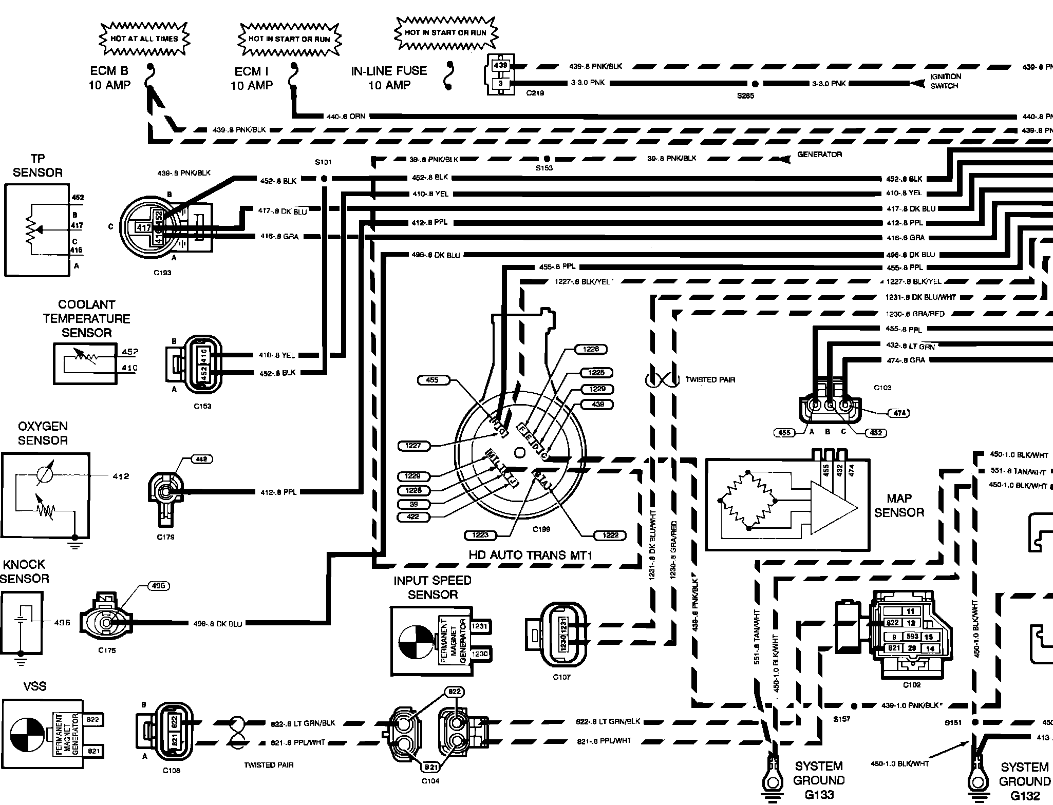
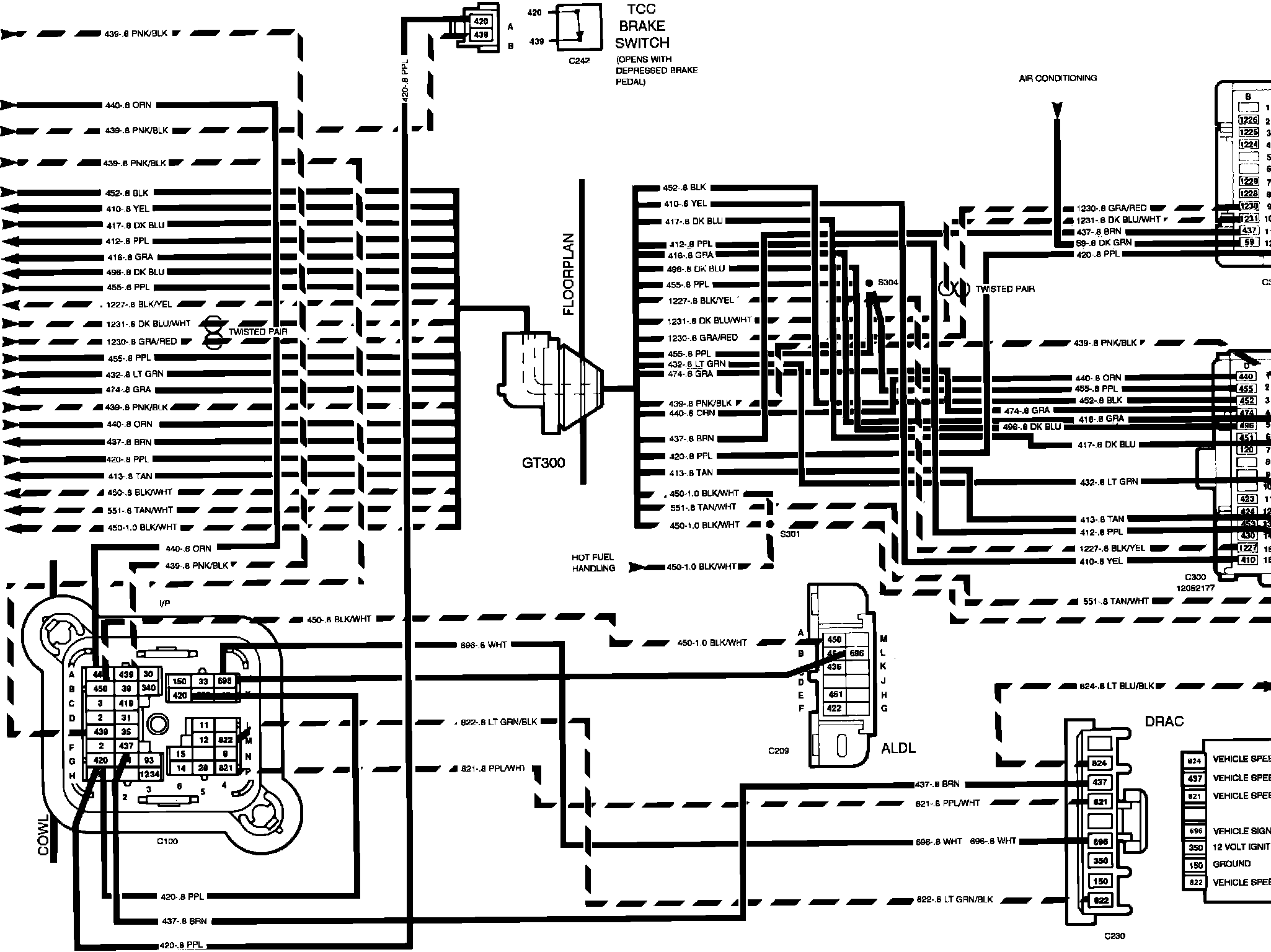
Electronic/Powertrain Control Module (ECM/PCM)
>>
ECM/PCM Inputs/Outputs
>>
PCM Inputs
PCM Inputs
�7$Powertrain Control Module (PCM). Input:
�$Powertrain Control Module (PCM). Input: