Curiosii for ever!
: Car repair manuals for everyone.
Home
>>
Chevy Truck
>>
1991
>>
G 10 Van V6-262 4.3L
>>
Repair and Diagnosis
>>
Diagrams
>>
Electrical Diagrams
>>
Powertrain Management
>>
System Diagram
>>
Electronic/Powertrain Control Module (ECM/PCM)
>>
ECM/PCM Inputs/Outputs
>>
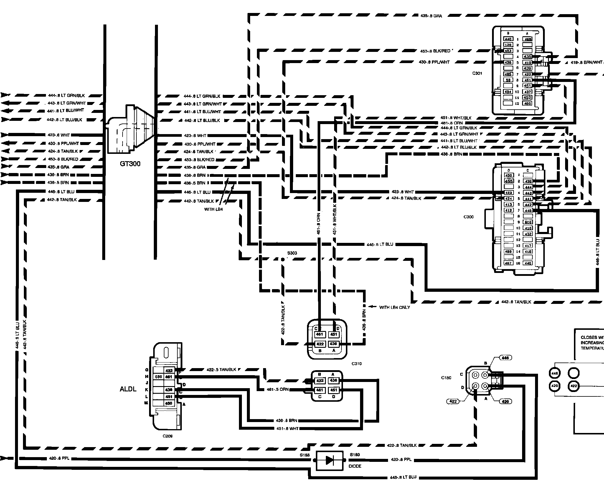
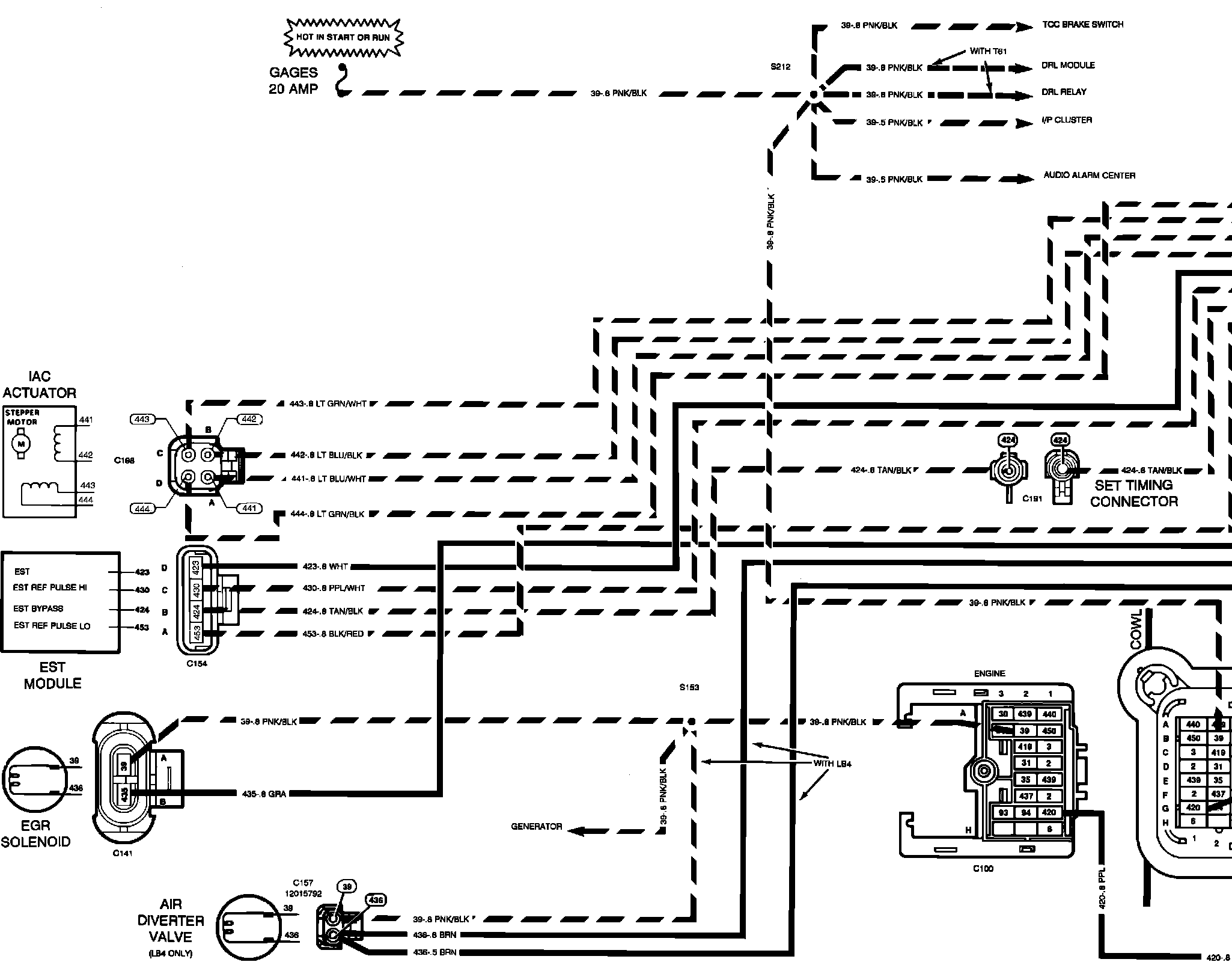
ECM Outputs
ECM Outputs
�&$Electronic Control Module (ECM). Outputs:
s{$Electronic Control Module (ECM). Output: