Curiosii for ever!: Car repair manuals for everyone.

Electronic Spark Control Module

RH Side Of Engine:




RH Side Of Engine, Above Valve Cover

Applicable to: 1991 4.3L/V6-262 Engine

RH Side Of Engine:




RH Side Of Engine, Above Valve Cover

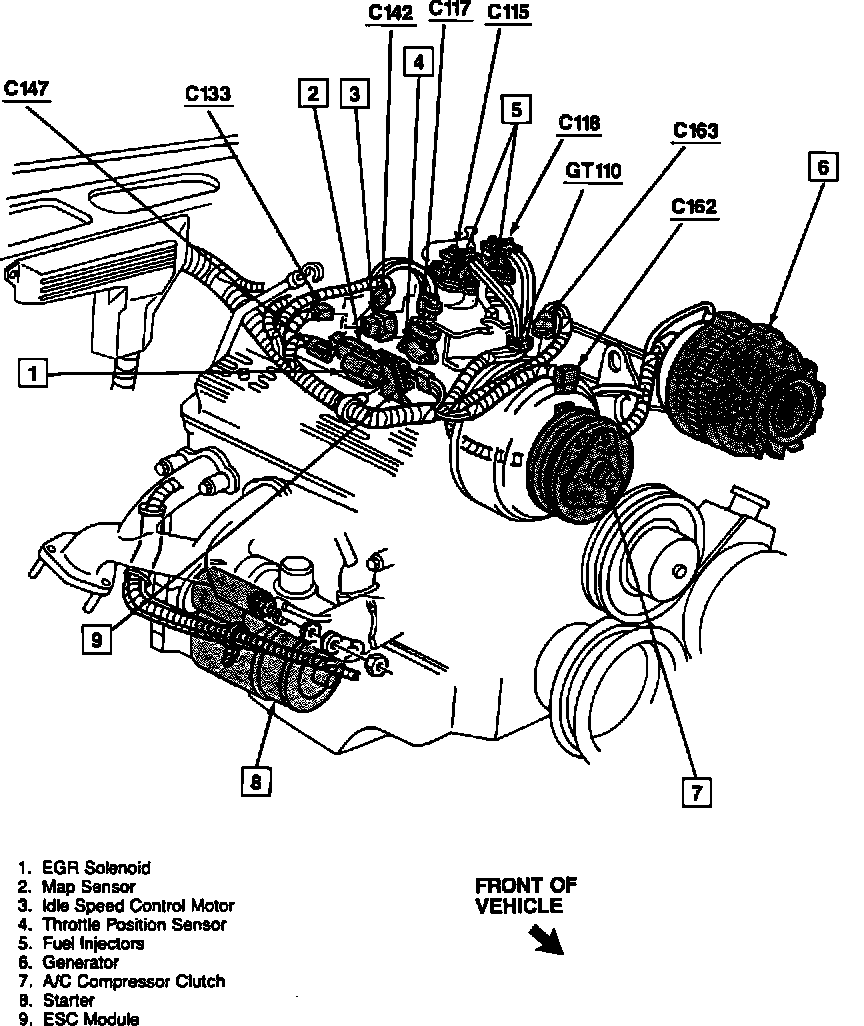
Applicable to: 1991 5.0L/V8-305 & 5.7L/V8-350 Engines

RH Side Of Engine:




RH Side Of Engine, Above Valve Cover

Applicable to: 1991 7.4L/V8-454 Engine

RH Side Of Engine:




RH Side Of Engine, Above Valve Cover

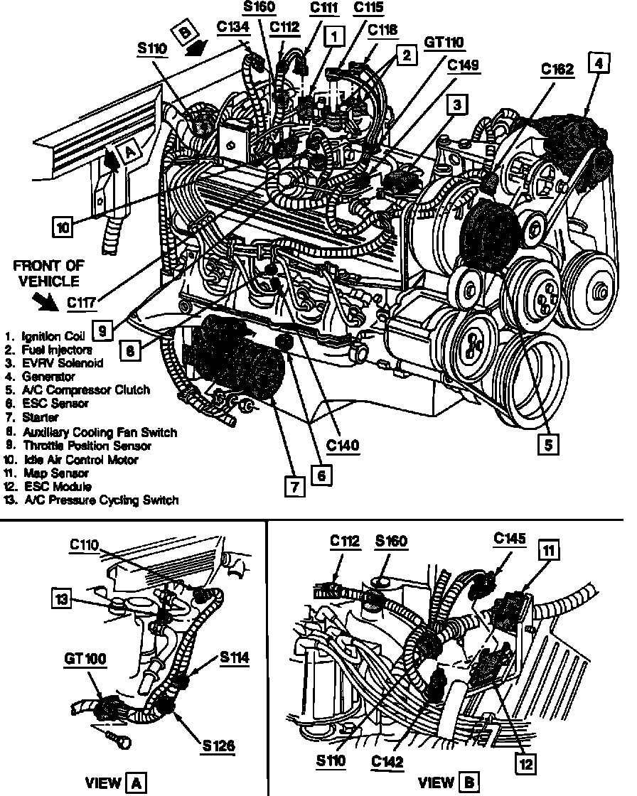
Applicable to: 1992 4.3L/V6-262 Engine

RH Side Of Engine:




RH Side Of Engine, Above Valve Cover

Applicable to: 1992 5.0L/V8-305 & 5.7L/V8-350 Engines

RH Side Of Engine:




RH Side Of Engine, Above Valve Cover

Applicable to: 1992 7.4L/V8-454 Engine