Curiosii for ever!
: Car repair manuals for everyone.
Home
>>
Chevy Truck
>>
1990
>>
S10/T10 Blazer 4WD V6-173 2.8L
>>
Repair and Diagnosis
>>
Diagrams
>>
Exploded Views
>>
Automatic Transmission/Transaxle
>>
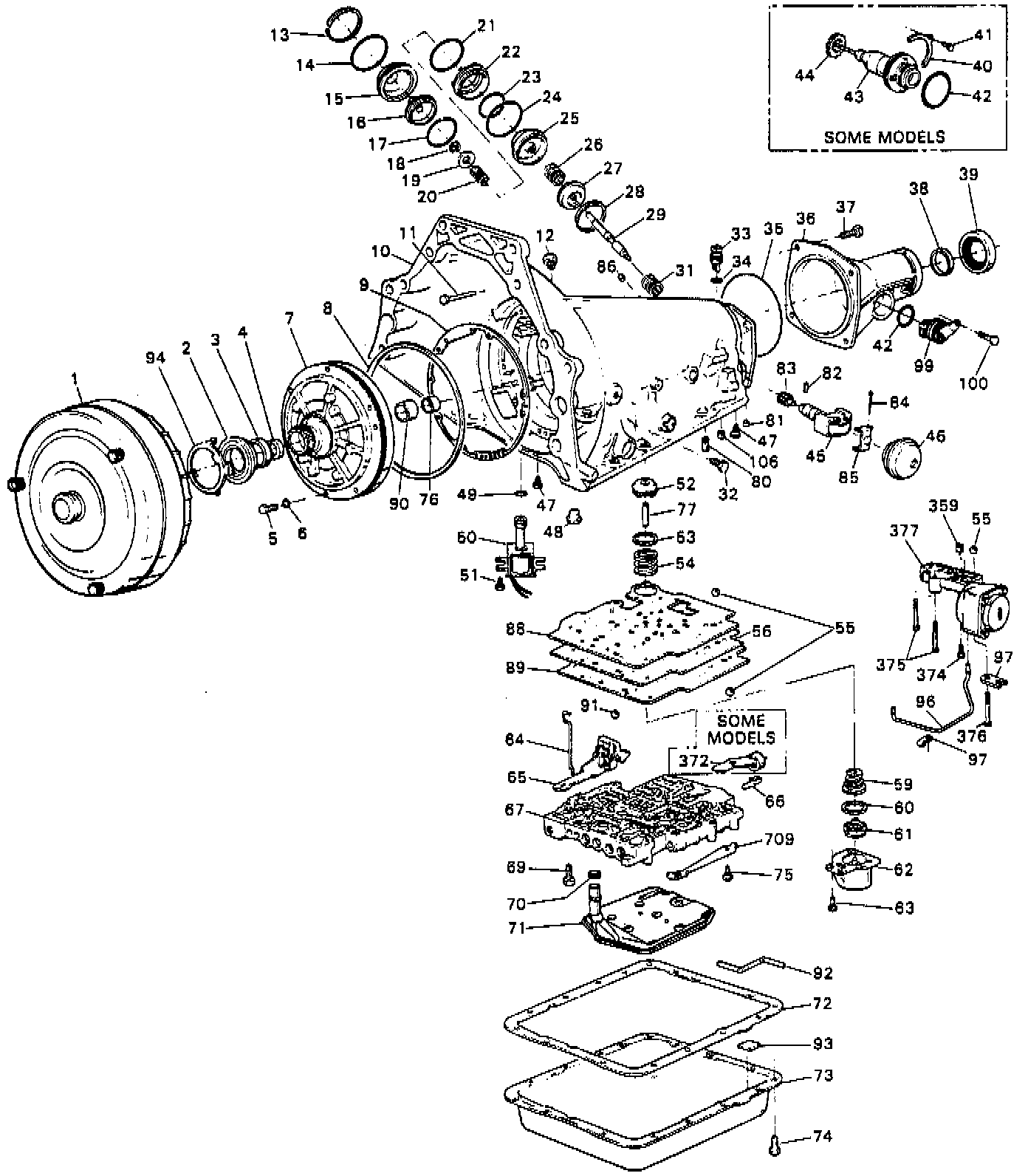
4L60 (700-R4) Automatic Transmission
>>
Unit Repair
Unit Repair
External Components ( Part 1 Of 2 ):
External Components ( Part 2 Of 2 ):