Curiosii for ever!
: Car repair manuals for everyone.
Home
>>
Chevy Truck
>>
1990
>>
R 20 P/U 2WD V8-379 6.2L DSL
>>
Repair and Diagnosis
>>
Powertrain Management
>>
Computers and Control Systems
>>
Throttle Position Switch
>>
Locations
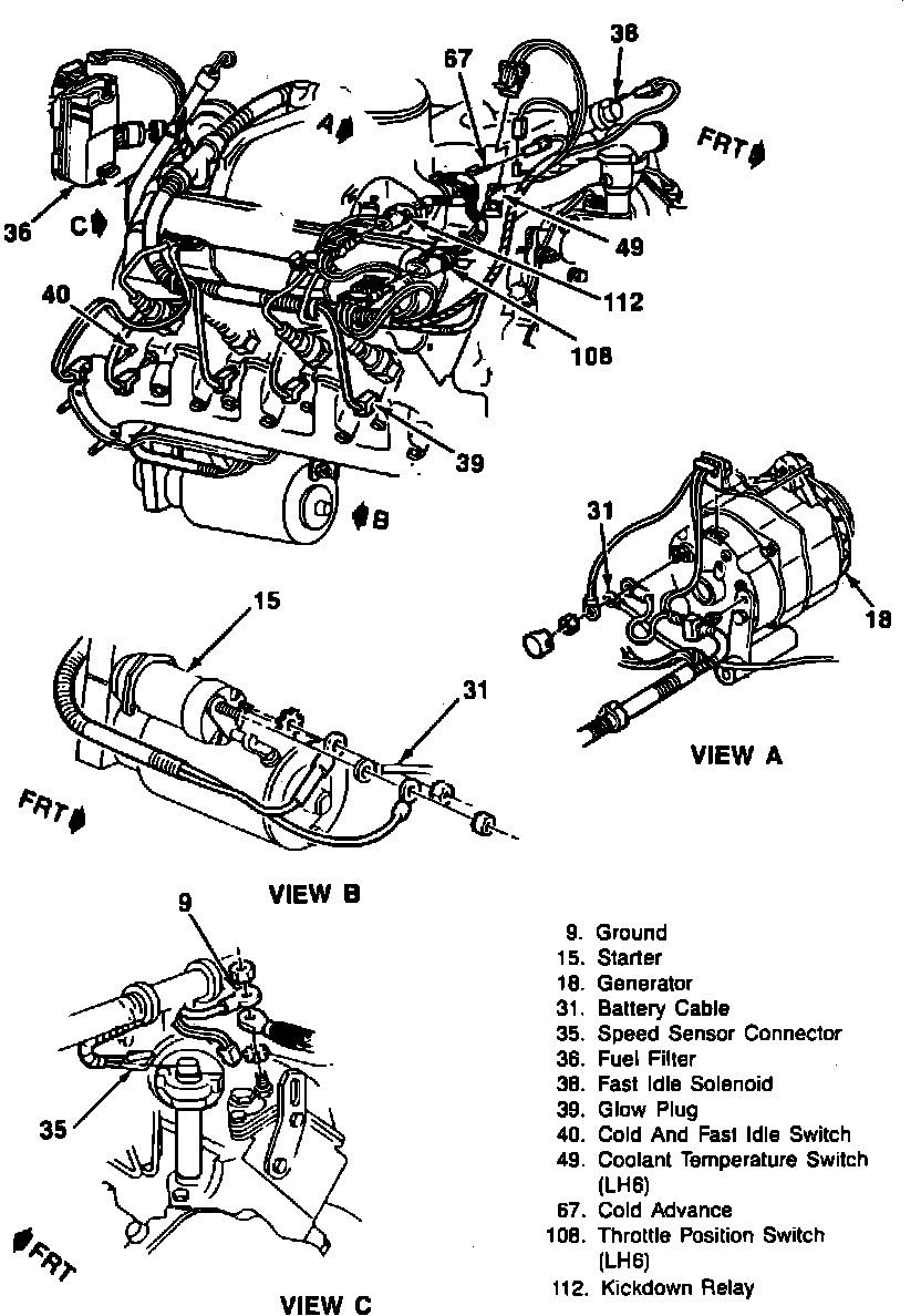
Throttle Position Switch: Locations
RH Side Of Engine.:
Top Of Engine
Applicable to: R & V Series w/V8-379/6.2L Diesel Engine