Curiosii for ever!
: Car repair manuals for everyone.
Home
>>
Chevy Truck
>>
1990
>>
G 30 Van V6-262 4.3L
>>
Repair and Diagnosis
>>
Locations
>>
Component Locations
>>
Miscellaneous Components
>>
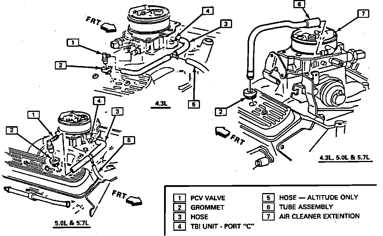
PCV System
PCV System
PCV System:
Top Of Engine On Valve Cover
Applicable to: V6-262/4.3L, V8-305/5.0L & V8-350/5.7 Engines