Curiosii for ever!
: Car repair manuals for everyone.
Home
>>
Chevy Truck
>>
1988
>>
S10/T10 P/U 2WD V6-262 4.3L
>>
Repair and Diagnosis
>>
Locations
>>
Component Locations
>>
Modules
>>
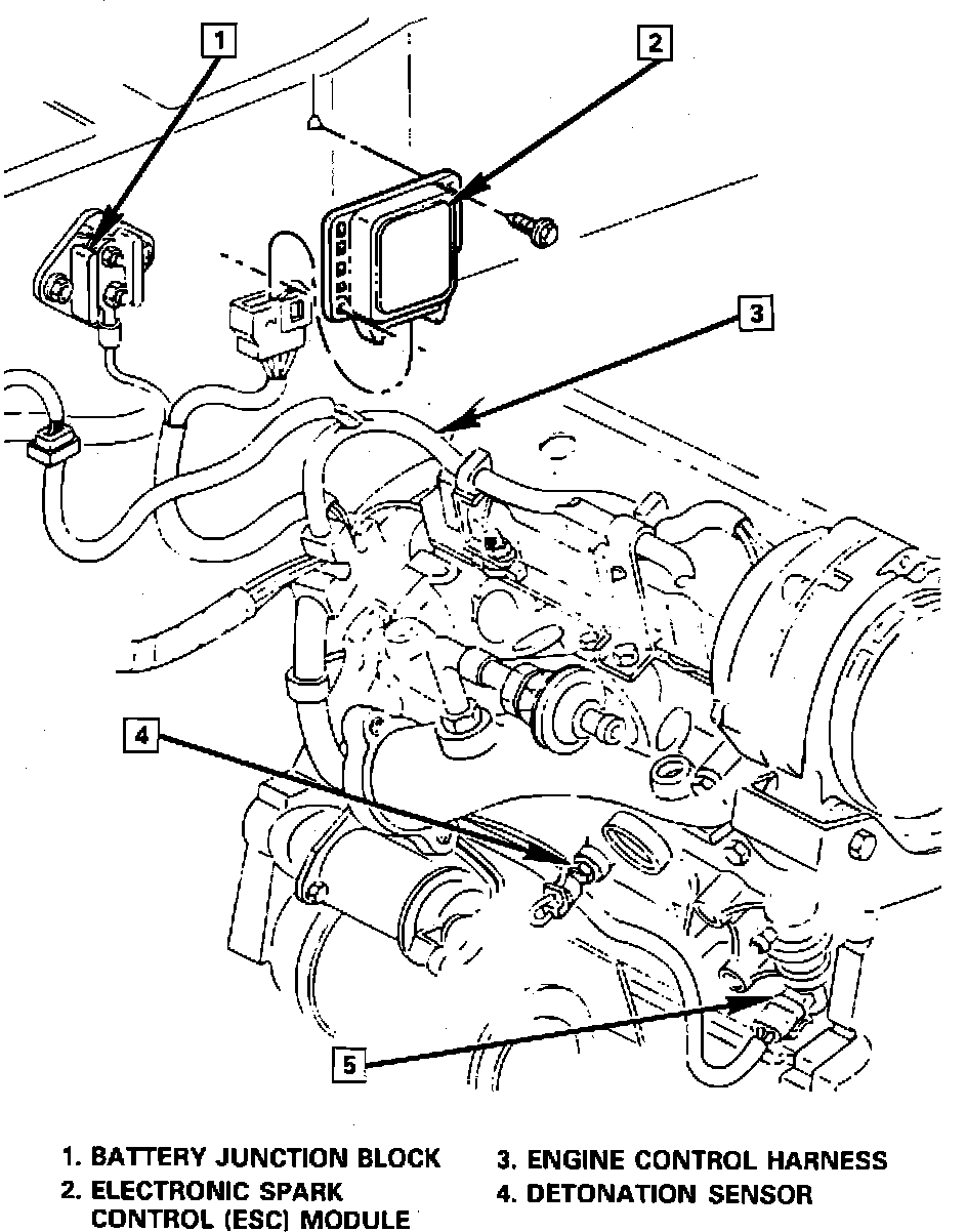
Electronic Spark Control (ESC) Module
Electronic Spark Control (ESC) Module
Center Of Dash Panel (engine Compartment):
RH Side Of Engine.:
Center Of Firewall
Applicable to: V6-262/4.3L Engine