Curiosii for ever!
: Car repair manuals for everyone.
Home
>>
Chevy Truck
>>
1988
>>
S10/T10 P/U 2WD V6-262 4.3L
>>
Repair and Diagnosis
>>
Diagrams
>>
Components
>>
Modules
>>
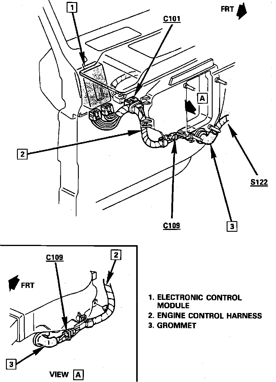
Electronic Control Module (ECM)
Electronic Control Module (ECM)
Under RH Side Of I/P.:
Below RH Corner Of I/P
Applicable to: V6-262/4.3L Engine