Curiosii for ever!
: Car repair manuals for everyone.
Home
>>
Chevy Truck
>>
1988
>>
G 30 Van V8-350 5.7L
>>
Repair and Diagnosis
>>
Powertrain Management
>>
Diagrams
>>
Electrical Diagrams
>>
Electronic/Powertrain Control Module (ECM/PCM)
>>
ECM/PCM Inputs/Outputs
>>
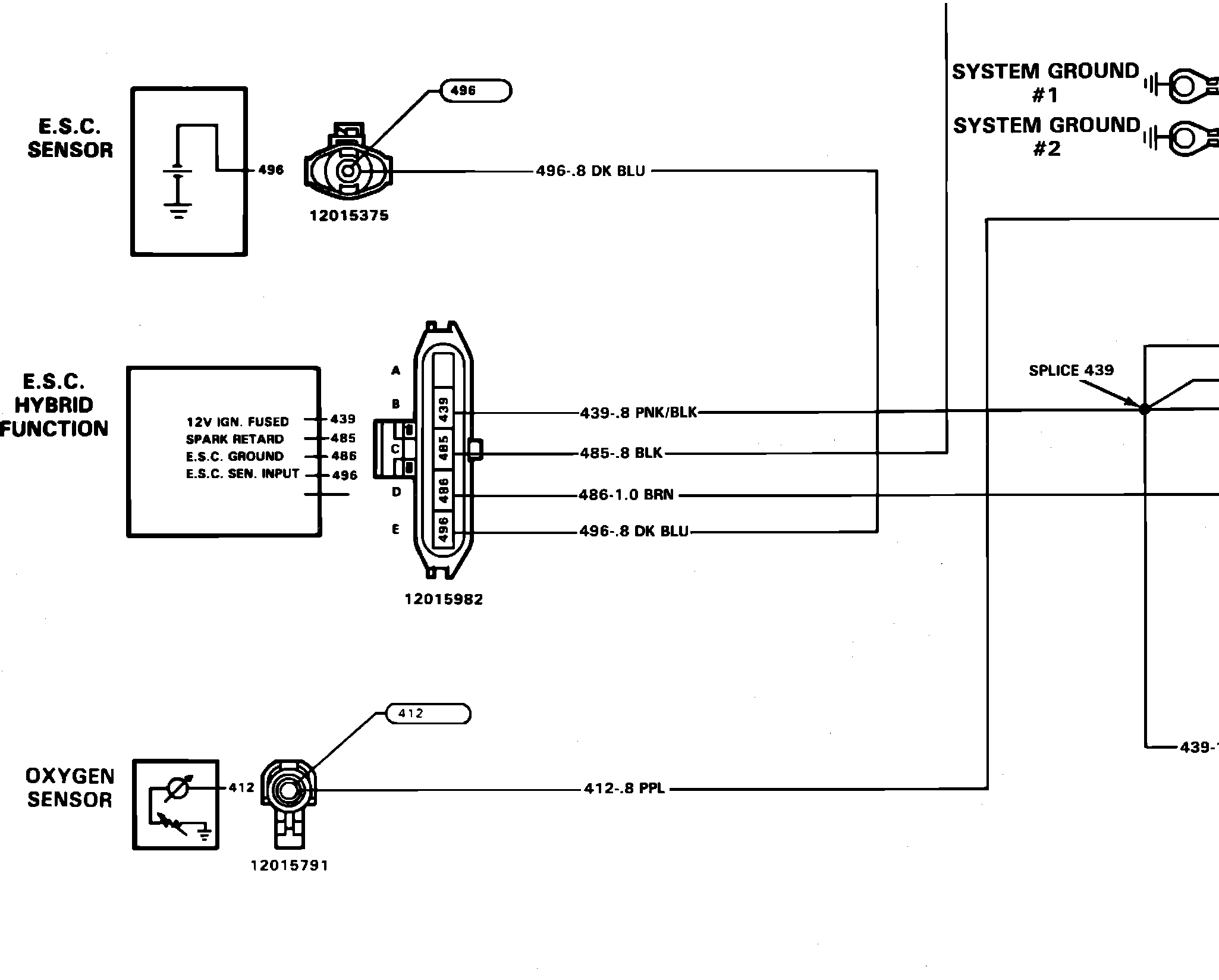
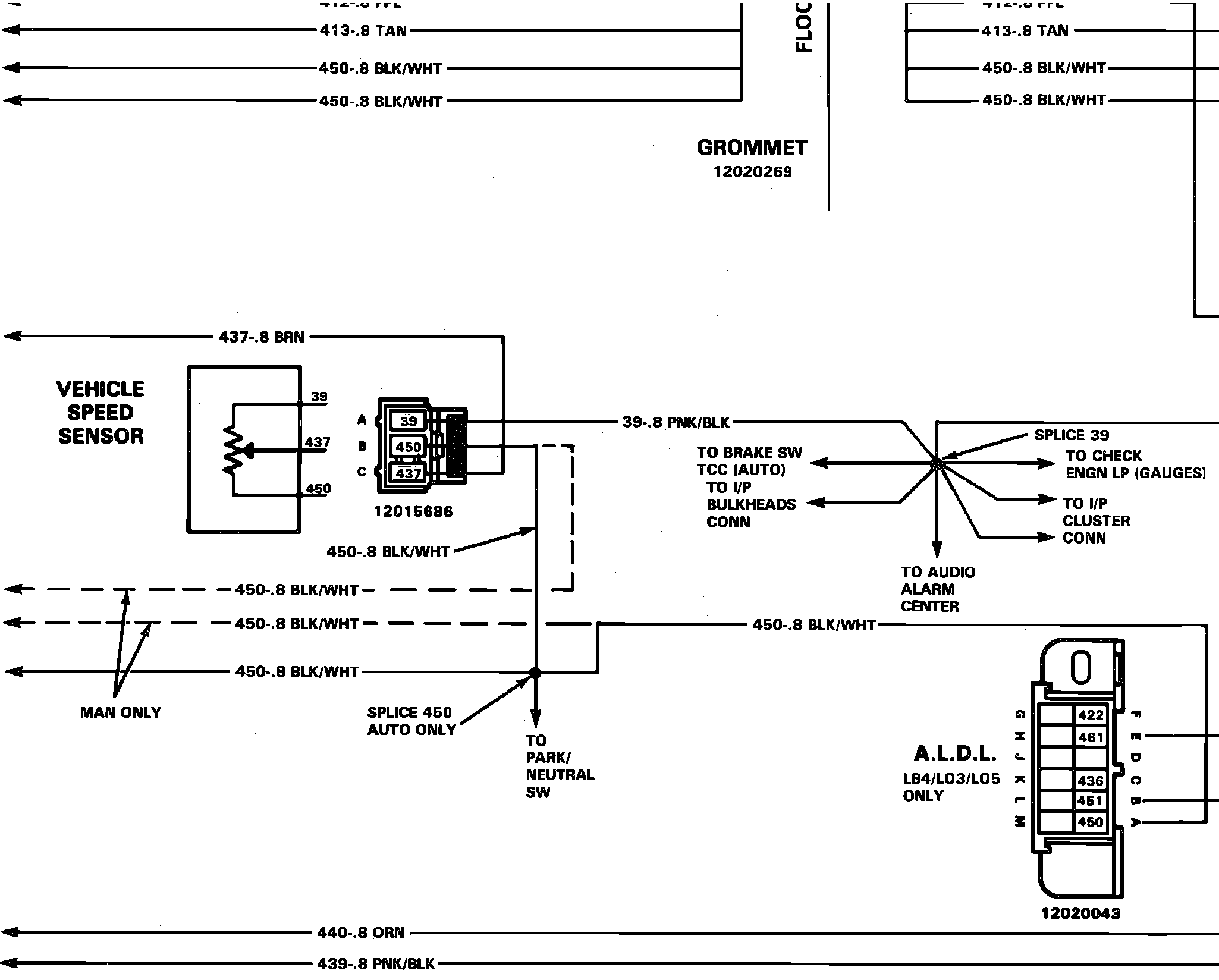
ECM/PCM Inputs
ECM/PCM Inputs
x!�#,Y�#�s�#Inputs, Part 1 Of 2 (Fuel Inj Eng):
=��#F��#@��#Inputs, Part 2 Of 2 (Fuel Inj Eng):