Curiosii for ever!
: Car repair manuals for everyone.
Home
>>
Chevy Truck
>>
1988
>>
G 10 Van V8-379 6.2L DSL
>>
Repair and Diagnosis
>>
Diagrams
>>
Electrical Diagrams
>>
Powertrain Management
>>
System Diagram
>>
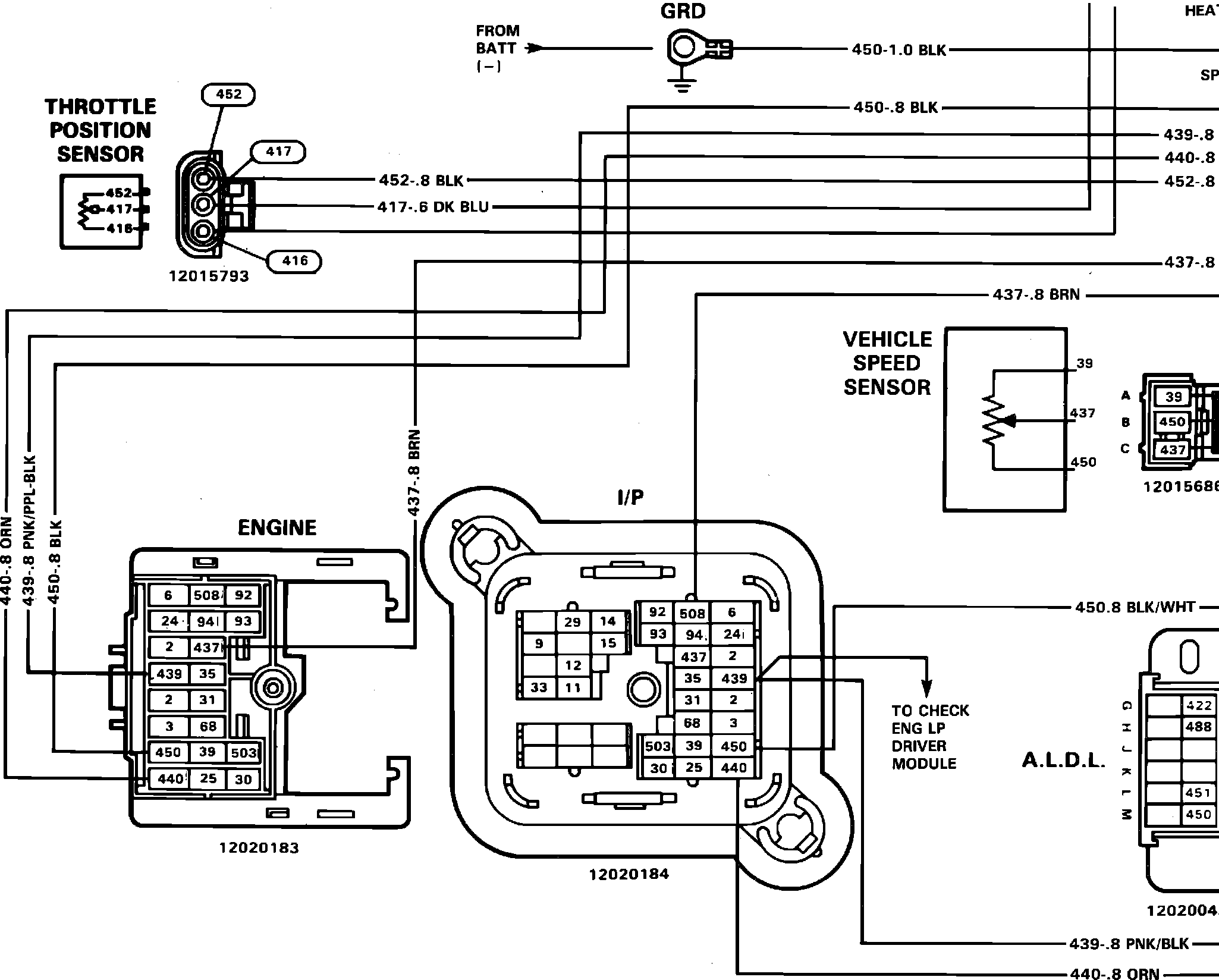
Electronic/Powertrain Control Module (ECM/PCM)
>>
ECM/PCM Inputs
ECM/PCM Inputs
�B�#~�#;��#Elect Cont Mod (Inputs) Wiring Circuit (Vin C):