Curiosii for ever!
: Car repair manuals for everyone.
Home
>>
Chevy Truck
>>
1988
>>
Astro Van M V6-262 4.3L
>>
Repair and Diagnosis
>>
Powertrain Management
>>
Computers and Control Systems
>>
Oil Pressure Sensor
>>
Locations
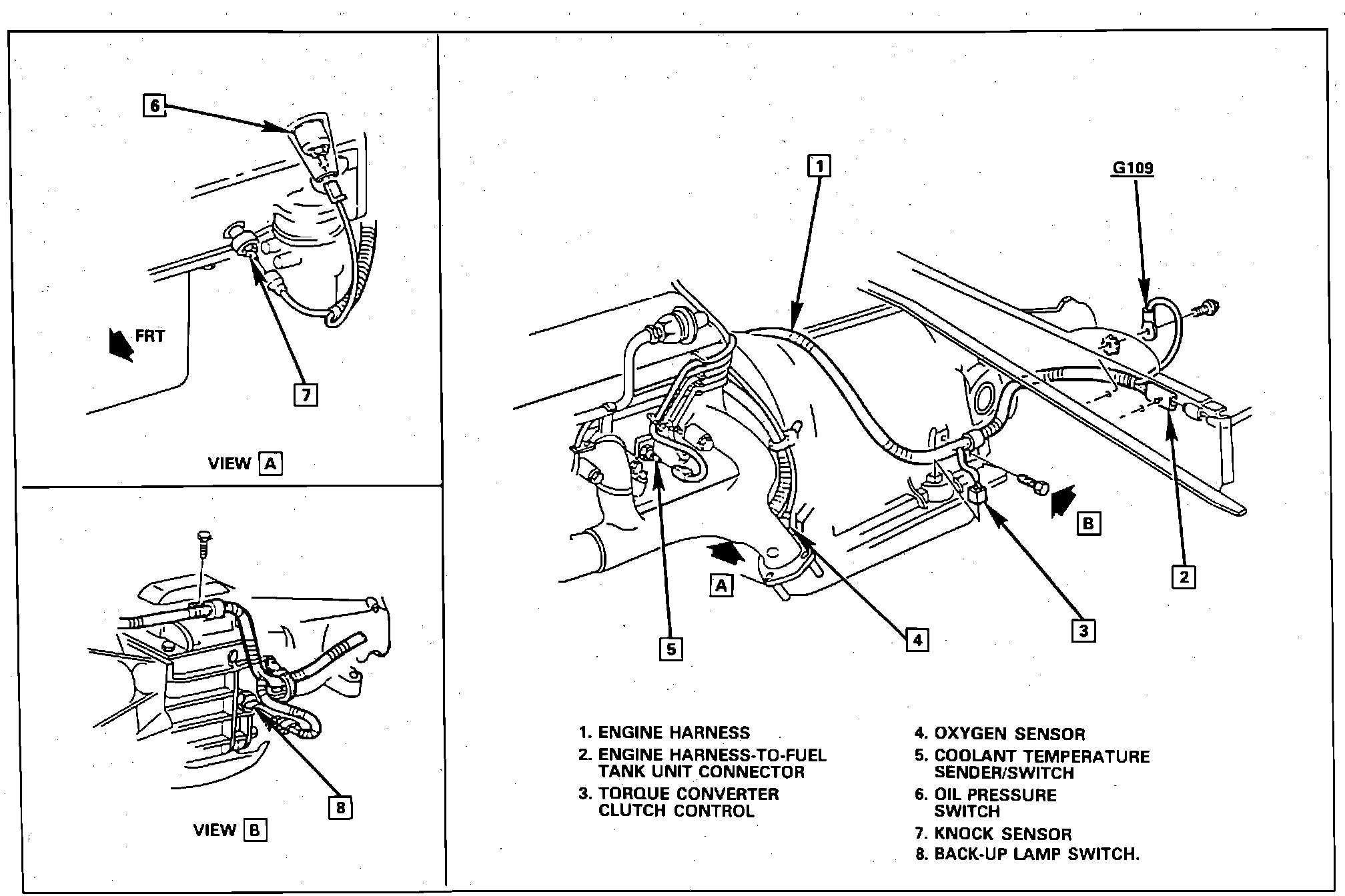
Oil Pressure Sensor: Locations
Rear Of Engine Wiring:
LH Side Of Engine, Near Distributor
LH Side Engine Wiring.:
LH Side Of Engine, Near Distributor
Applicable to: V6-262/4.3L Engine