Curiosii for ever!
: Car repair manuals for everyone.
Home
>>
Chevy Truck
>>
1988
>>
Astro Van M L4-151 2.5L
>>
Repair and Diagnosis
>>
Locations
>>
Component Locations
>>
Modules
>>
Cruise Control Module
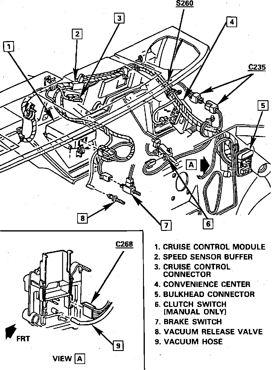
Cruise Control Module
Cruise Control Components:
LH Front Of I/P, Near Brake Booster