Curiosii for ever!
: Car repair manuals for everyone.
Home
>>
Chevy Truck
>>
1987
>>
S10/T10 P/U 2WD L4-151 2.5L
>>
Repair and Diagnosis
>>
Powertrain Management
>>
Computers and Control Systems
>>
Manifold Pressure/Vacuum Sensor
>>
Locations
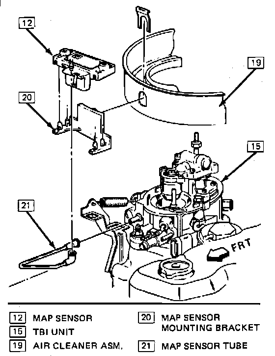
Manifold Pressure/Vacuum Sensor: Locations
4-151/2.5L:
On Air Cleaner Assembly
Applicable to: 2.5L MAP Sensor
RH Side Of 4-151/2.5L:
RH Side Of Engine
Applicable to: 2.5L Engine