Curiosii for ever!: Car repair manuals for everyone.

4L60 (700-R4) Automatic Transmission

Refer to the "Service Bulletins" section prior to performing the following procedures.

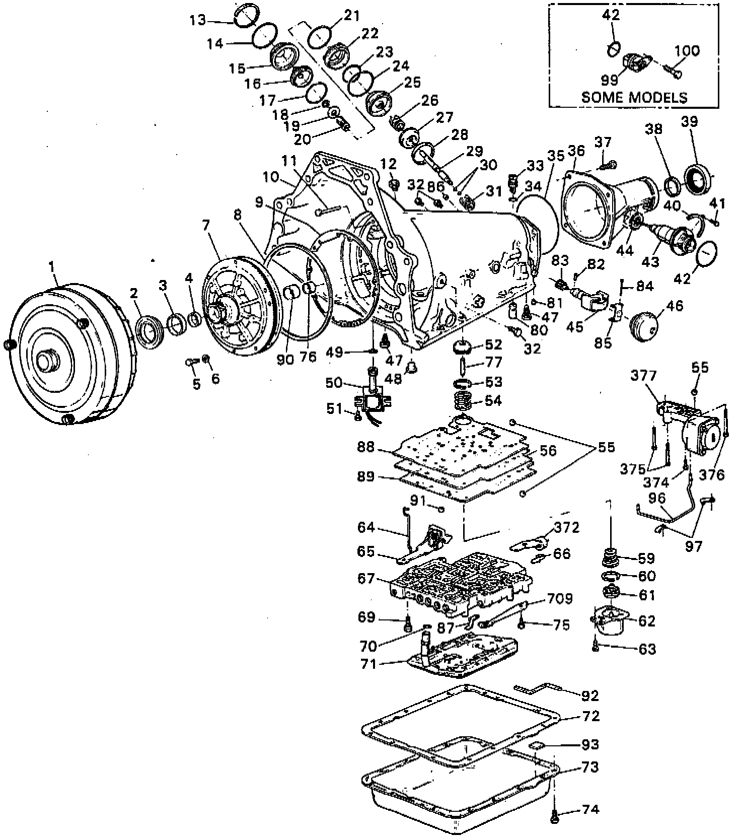
Fig. 2, Transmission case & external parts exploded view (Part 1 of 2). 1987-88 Models:





Fig. 2, Transmission case & external parts exploded view (Part 2 of 2). 1987-88 Models:





Fig. 4, Transmission internal parts exploded view (Part 1 of 2):





Fig. 4, Transmission internal parts exploded view (Part 2 of 2):





Refer to Figs. 2 and 4 during subassembly service and transmission assembly procedures.