Curiosii for ever!
: Car repair manuals for everyone.
Home
>>
Chevy Truck
>>
1987
>>
Astro Van M L4-151 2.5L
>>
Repair and Diagnosis
>>
Powertrain Management
>>
Computers and Control Systems
>>
Coolant Temperature Sensor/Switch (For Computer)
>>
Locations
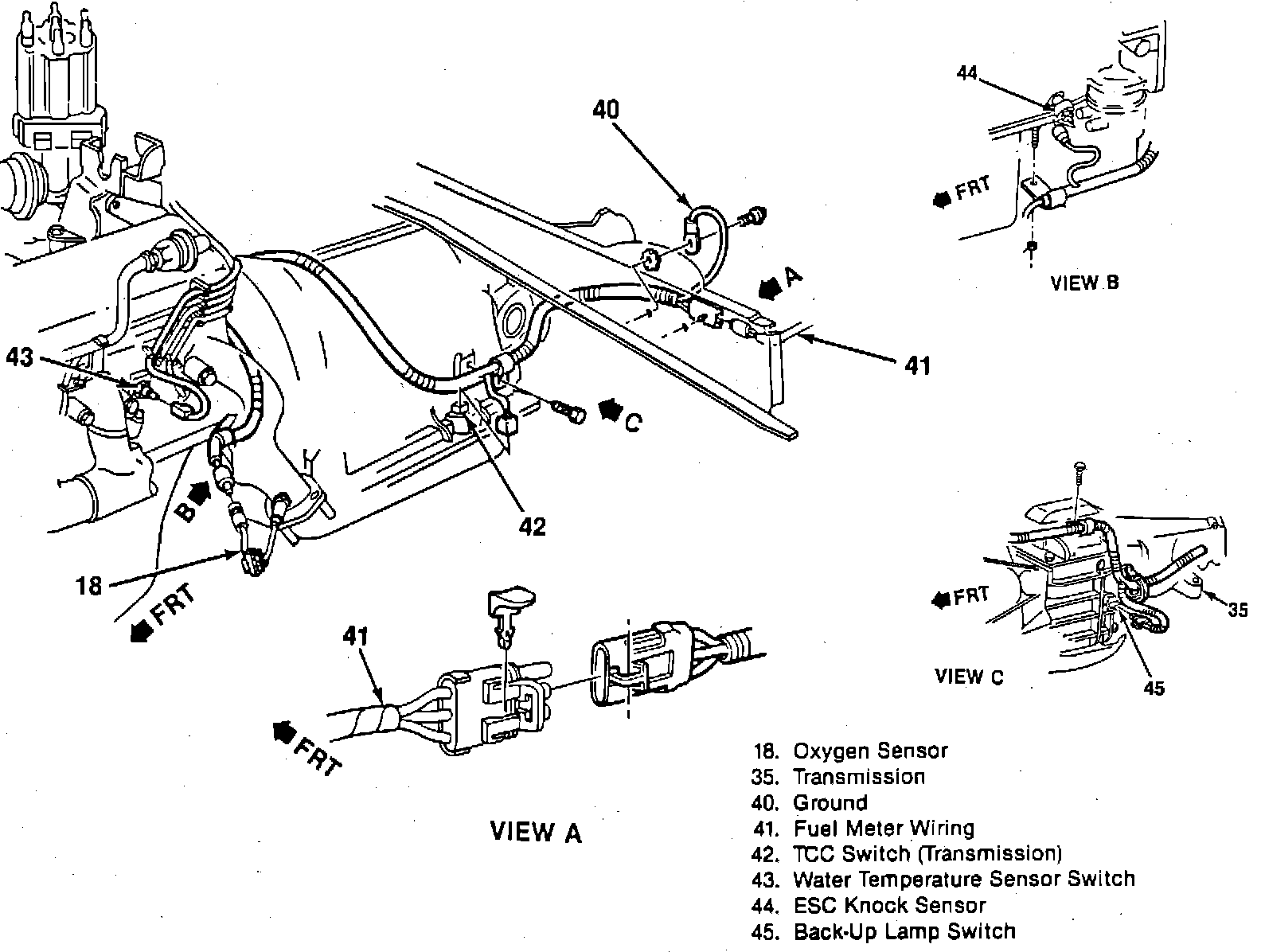
Coolant Temperature Sensor/Switch (For Computer): Locations
Left Side Engine Wiring Harness.:
On Engine Block, Next To Exhaust Manifold
Applicable to: 1987 Astro Van & Safari w/V6-262/4.3L Engine