Curiosii for ever!: Car repair manuals for everyone.

Catalytic Converter: Service and Repair





Catalytic Converter Replacement (LCV)

Removal Procedure

Warning: Refer to Exhaust Service Warning Service Precautions.


Warning: Refer to Protective Goggles and Glove Warning Protective Goggles and Glove Warning.


1. Remove the exhaust manifold heat shield. Refer to Exhaust Manifold Heat Shield Replacement (LUK) Exhaust Manifold Heat Shield ReplacementExhaust Manifold Heat Shield Replacement (LCV) Exhaust Manifold Heat Shield ReplacementExhaust Manifold Heat Shield Replacement (LTG) Exhaust Manifold Heat Shield Replacement.




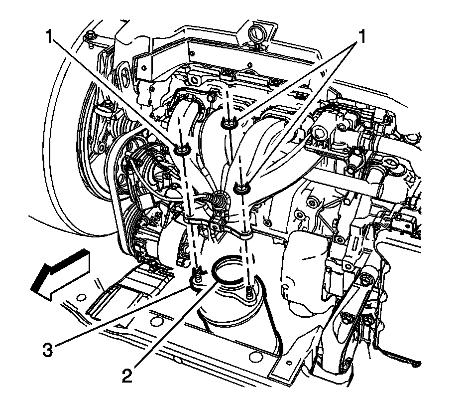
2. Remove the 3 fasteners (1) securing the catalytic converter (3) to the exhaust manifold (1).

3. Discard the catalytic converter seal (2).

4. Raise and support the vehicle. Refer to Lifting and Jacking the Vehicle Service and Repair.




5. Remove the 2 fasteners (1) securing the exhaust front pipe (3) to the catalytic converter.

6. Remove the exhaust front pipe retaining fastener (2).





Note: Do not twist or damage the flex coupling on the exhaust front pipe.

7. Remove the exhaust front pipe (1) from the catalytic converter (3).

8. Discard the catalytic converter exhaust gasket (2).




9. Remove the catalytic converter brace fasteners (1) and lower the catalytic converter (2) to the floor.

Installation Procedure




1. Install the catalytic converter (3) to the exhaust manifold with a NEW catalytic converter seal (2).

2. Hand tighten the catalytic converter to exhaust manifold fasteners (1).





Caution: Refer to Fastener Caution Fastener Caution.

3. Install the catalytic converter brace fasteners (1) and tighten to 22 Nm (16 lb ft).




4. Tighten the catalytic converter fasteners (1) to 58 Nm (43 lb ft).

5. Install the exhaust manifold heat shield. Refer to Exhaust Manifold Heat Shield Replacement (LUK) Exhaust Manifold Heat Shield ReplacementExhaust Manifold Heat Shield Replacement (LCV) Exhaust Manifold Heat Shield ReplacementExhaust Manifold Heat Shield Replacement (LTG) Exhaust Manifold Heat Shield Replacement.





Note: Do not twist or damage the flex coupling on the exhaust front pipe.

6. Install the exhaust front pipe (1) to the catalytic converter (3) with a NEW gasket (2).




7. Install the lower catalytic converter fasteners (1) and tighten to 28 Nm (21 lb ft).

8. Install the exhaust front pipe retainer fastener (2) and tighten to 22 Nm (16 lb ft).

9. Start the engine and check for exhaust leaks.