Curiosii for ever!: Car repair manuals for everyone.

Air Injection Check Valve: Service and Repair




Secondary Air Injection Check Valve Replacement

Removal Procedure

1. Disconnect the battery negative cable. Refer to Battery Negative Cable Disconnection and Connection Battery Negative Cable Disconnection and Connection.




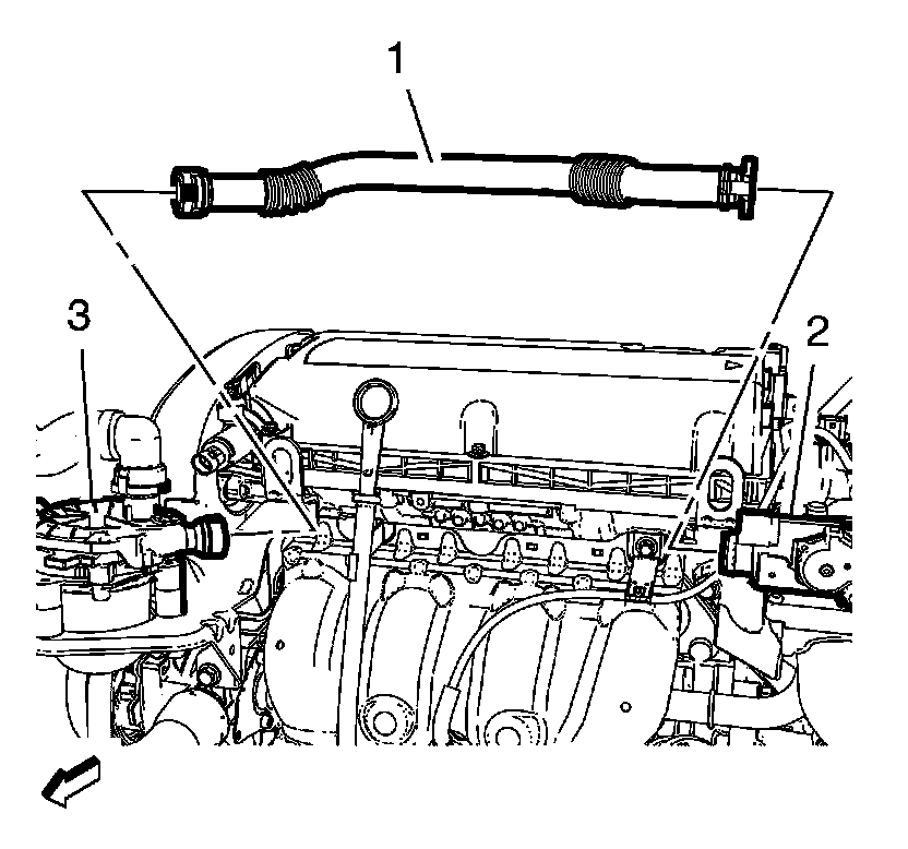
2. Disconnect the secondary air injection pump pipe (1) from the secondary air injection check valve (2). Refer to Plastic Collar Quick Connect Fitting Service Service and Repair.




3. Remove the 3 secondary air injection check valve bolts (3).

4. Remove and DISCARD the secondary air injection check valve gasket (1).

5. Remove the secondary air injection check valve (2).

Installation Procedure




1. Install a NEW secondary air injection check valve gasket (1).

2. Install the secondary air injection check valve (2).

Caution: Refer to Fastener Caution Fastener Caution.

3. Install the 3 secondary air injection check valve bolts (3) and tighten to 22 Nm (16 lb ft).




4. Connect the secondary air injection pump pipe (1) to the secondary air injection check valve (2). Refer to Plastic Collar Quick Connect Fitting Service Service and Repair.

5. Connect the battery negative cable. Refer to Battery Negative Cable Disconnection and Connection Battery Negative Cable Disconnection and Connection.