Curiosii for ever!: Car repair manuals for everyone.

Battery Positive Cable Replacement




Battery Positive Cable Replacement

Removal Procedure

1. Remove the rear floor stowage compartment. Refer to Rear Compartment Floor Stowage Trim Compartment Replacement Rear Compartment Floor Stowage Trim Compartment Replacement.
2. Disconnect the battery negative cable from the battery. Refer to Battery Negative Cable Disconnection and Connection Battery Negative Cable Disconnection and Connection.




3. Remove the battery positive cable fuse block nut (1) and terminal (2) from the battery fuse block.
4. Remove the quarter inner trim finish panel. Refer to Quarter Inner Trim Finish Panel Replacement Quarter Inner Trim Finish Panel Replacement.
5. Separate the battery positive cable from the body harness, while working from the rear compartment towards the passenger compartment.




6. Remove the rear side door floor covering retainer. Refer to Rear Side Door Opening Floor Carpet Retainer Replacement Rear Side Door Opening Floor Carpet Retainer Replacement
7. Detach the battery positive cable (1) from the rear passenger compartment.




8. Remove the interior trim panels (1). Refer to Center Pillar Trim Panel Replacement Center Pillar Trim Panel Replacement and Front Side Door Opening Floor Carpet Retainer Replacement Front Side Door Opening Floor Carpet Retainer Replacement.
9. Remove the battery positive cable (2) from the left rocker channel.




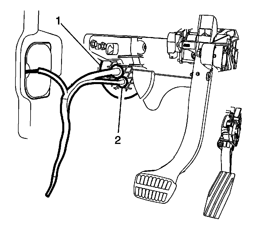
10. Detach the battery positive terminal (2), from the engine wiring junction block (3), with the nut (1).




11. Pull the battery positive cable (2) through the harness grommet (1).
12. Remove the battery positive cable from the vehicle.

Installation Procedure




1. Push the battery positive cable terminal (2) through the grommet (1) and into the front engine compartment.





Caution: Refer to Fastener Caution Fastener Caution.

2. Install the battery positive cable terminal (2) to the engine wiring junction block (3). Tighten the nut (1) to 17 Nm (12 lb ft).




3. Install the battery positive cable into the rocker channel below the interior trim panels (1).




4. Secure the battery positive cable (1) to the body harness, while transferring the remaining cable into the rear compartment.




5. Attach the battery positive cable to the body harness along the left rear wheelhouse.
6. Install the battery positive cable terminal (2) to the battery fuse block and tighten nut (1) to 12 Nm (106 lb in).
7. Connect the battery negative cable. Refer to Battery Negative Cable Disconnection and Connection Battery Negative Cable Disconnection and Connection.
8. Install the quarter inner trim finish panel, rear compartment floor stowage trim panel and the interior trim panels. Refer to Quarter Inner Trim Finish Panel Replacement Quarter Inner Trim Finish Panel Replacement ; Rear Compartment Floor Stowage Trim Compartment Replacement Rear Compartment Floor Stowage Trim Compartment Replacement ; Rear Side Door Opening Floor Carpet Retainer Replacement Rear Side Door Opening Floor Carpet Retainer Replacement and Front Side Door Opening Floor Carpet Retainer Replacement Front Side Door Opening Floor Carpet Retainer Replacement.