Curiosii for ever!: Car repair manuals for everyone.

Evaporator Core: Service and Repair




Air Conditioning Evaporator Replacement

Removal Procedure

1. Remove the instrument panel assembly. Refer to Instrument Panel Assembly Replacement Instrument Panel Assembly Replacement.

2. Remove the instrument panel tie bar assembly. Refer to Instrument Panel Tie Bar Replacement Instrument Panel Tie Bar Replacement.

3. Remove the heater and air conditioning evaporator and blower module assembly from the vehicle. Refer to Heater and Air Conditioning Evaporator and Blower Module Replacement Service and Repair.





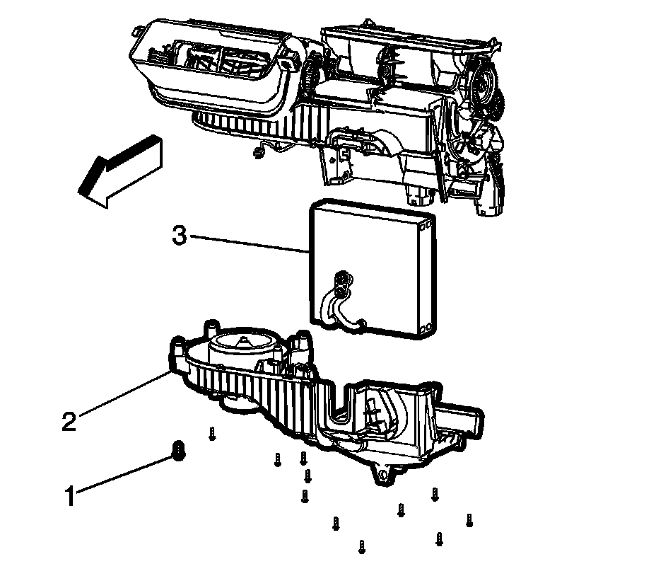
4. Remove the heater and air conditioning evaporator and blower module assembly seal (1) from the case.





5. Remove the fasteners (1) and the evaporator thermal expansion valve (2) from the air conditioning evaporator.

6. Remove and discard the seals for the air conditioning evaporator thermal expansion valve.





7. Remove the fastener (1) and the heater core tube bracket (2) from the heater and air conditioning evaporator and blower module assembly.





8. Remove the fastener (1) and the heater core bracket (2) from the heater and air conditioning evaporator and blower module assembly.

9. Carefully slide the heater core assembly (3) out of the heater and air conditioning evaporator and blower module assembly.





10. Remove the fasteners (1) and the heater control module (2) from the heater and air conditioning evaporator and blower module assembly.





11. Remove the twelve fasteners (1) securing the lower heater and air conditioning evaporator case to the upper heater and air conditioning evaporator case.

12. Remove the lower heater and air conditioning evaporator case from the upper heater and air conditioning evaporator case.

13. Remove the air conditioning evaporator (3) from the two heater and air conditioning evaporator case halves.

Installation Procedure





1. Position the air conditioning evaporator (3) into the two heater and air conditioning evaporator case halves.

2. Slide the two heater and air conditioning evaporator case halves together.

Caution:
Refer to Fastener Caution Fastener Caution.

3. Install the twelve fasteners (1) securing the lower heater and air conditioning evaporator case to the upper heater and air conditioning evaporator case.





4. Install the heater control module (2) and the fasteners (1) to the heater and air conditioning evaporator and blower module assembly.





5. Carefully slide the heater core assembly (3) into the heater and air conditioning evaporator and blower module assembly.

6. Install the heater core bracket (2) and the fastener (1) to the heater and air conditioning evaporator and blower module assembly.





7. Install the heater core tube bracket (2) and the fastener (1) to the heater and air conditioning evaporator and blower module assembly.

8. Install new seals to the air conditioning evaporator thermal expansion valve.





9. Install the evaporator thermal expansion valve (2) and the fasteners (1) to the air conditioning evaporator and tighten the fasteners to 7Nm (62 lb in).

.





10. Install the seal (1) to the heater and air conditioning evaporator and blower module assembly.

11. Install the heater and air conditioning evaporator and blower module assembly into the vehicle. Refer to Heater and Air Conditioning Evaporator and Blower Module Replacement Service and Repair.

12. Install the instrument panel tie bar assembly. Refer to Instrument Panel Tie Bar Replacement Instrument Panel Tie Bar Replacement.

13. Install the instrument panel assembly. Refer to Instrument Panel Assembly Replacement Instrument Panel Assembly Replacement.