Curiosii for ever!: Car repair manuals for everyone.

Range Selector Lever Cable Replacement




Range Selector Lever Cable Replacement

Removal Procedure

1. Set the park brake and chock the wheels.




2. Disconnect the transmission range selector lever cable (1) from the transmission manual shift lever pin and cable bracket.
3. Remove the left instrument panel lower trim panel. Refer to Instrument Panel Lower Trim Panel Replacement - Left Side Instrument Panel Lower Trim Panel Replacement - Left Side.




4. Remove the instrument panel tie bar brace bolts (1).
5. Remove the instrument panel tie bar brace (2).




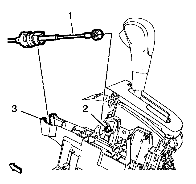
6. Remove the transmission range selector lever cable (1) from the cable bracket (3).
7. Remove the cable end terminal from shifter pin (2).




8. Remove the transmission range selector lever cable grommet (1) from the cowl panel.
9. Remove the transmission range selector lever cable from the vehicle.

Installation Procedure

1. Install the transmission range selector lever cable to the vehicle.




2. Install the transmission range selector lever cable grommet (1) to the cowl panel.




3. Connect the transmission range selector cable terminal to the shift lever pin (2).
4. Install the transmission range selector lever cable (1) to the cable bracket (3)




5. Install the instrument panel tie bar brace (2)

Caution: Refer to Fastener Caution Fastener Caution.

6. Install the instrument panel tie bar brace bolts (1) and tighten to 22 Nm (16 lb ft).
7. Install the left instrument panel lower trim panel. Refer to Instrument Panel Lower Trim Panel Replacement - Left Side Instrument Panel Lower Trim Panel Replacement - Left Side.




8. Connect the transmission range selector lever cable (1) to the transmission manual shift lever pin and cable bracket.
9. Adjust the range selector lever cable. Refer to Range Selector Lever Cable Adjustment Adjustments.