Range Selector Lever Cable Bracket Replacement
Range Selector Lever Cable Bracket Replacement
Removal Procedure
1. Set the park brake and chock the wheels.
2. Remove the battery tray. Refer to Battery Tray Replacement Service and Repair.
3. Disconnect the range selector cable end (1) from the range selector lever.
4. Disconnect the range selector cable (2) from the range selector cable bracket.
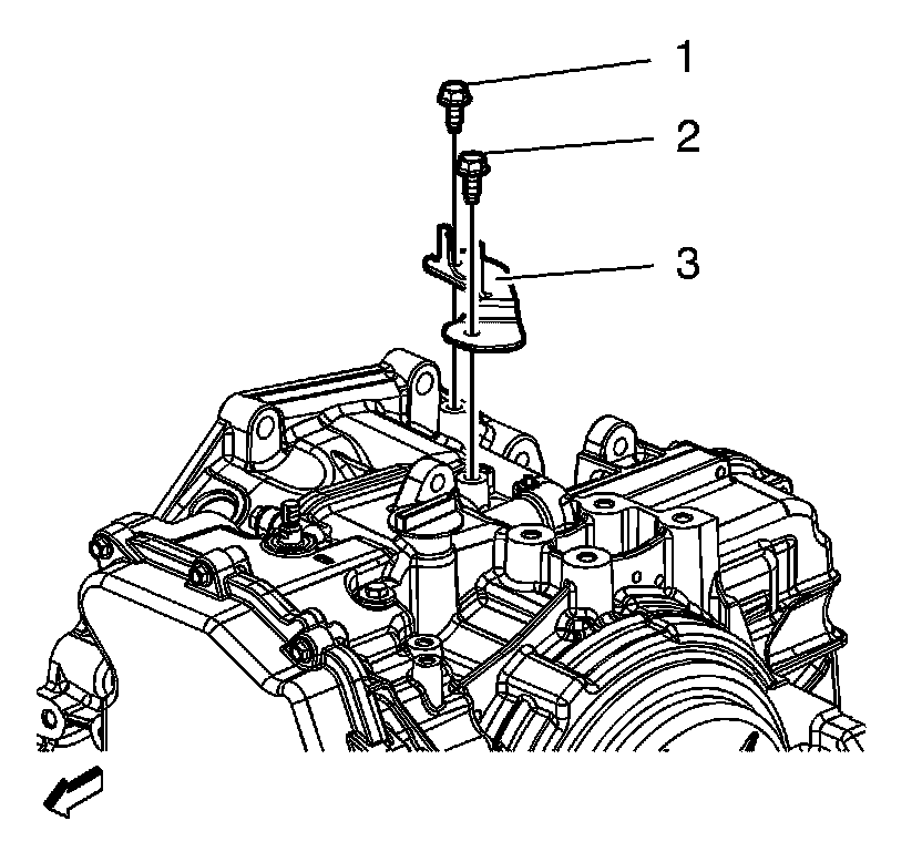
5. Remove the transmission range selector cable bracket bolts (1).
6. Remove the transmission range selector cable bracket (2).
Installation Procedure
1. Install the transmission range selector cable bracket (3).
Caution: Refer to Fastener Caution Fastener Caution.
2. Install the transmission range selector cable bracket bolts (1, 2) and tighten to 22 Nm (16 lb ft).
3. Connect the range selector cable (2) to the range selector cable bracket.
4. Connect the range selector cable end (1) to the range selector lever.
5. Check the range selector cable adjustment. Refer to Range Selector Lever Cable Adjustment Adjustments.
6. Install the battery tray. Refer to Battery Tray Replacement Service and Repair.