Curiosii for ever!: Car repair manuals for everyone.

Windshield Washer Switch: Service and Repair




Windshield Wiper and Washer Switch Replacement

Removal Procedure

1. Remove the steering wheel. Refer to Steering Wheel Replacement Steering Wheel Replacement.

2. Remove the upper and lower steering column trim cover assembly. Refer to Steering Column Trim Cover Replacement (Manual) Steering Column Trim Cover Replacement (Manual)Steering Column Trim Cover Replacement (Telescoping) Steering Column Trim Cover Replacement (Telescoping).




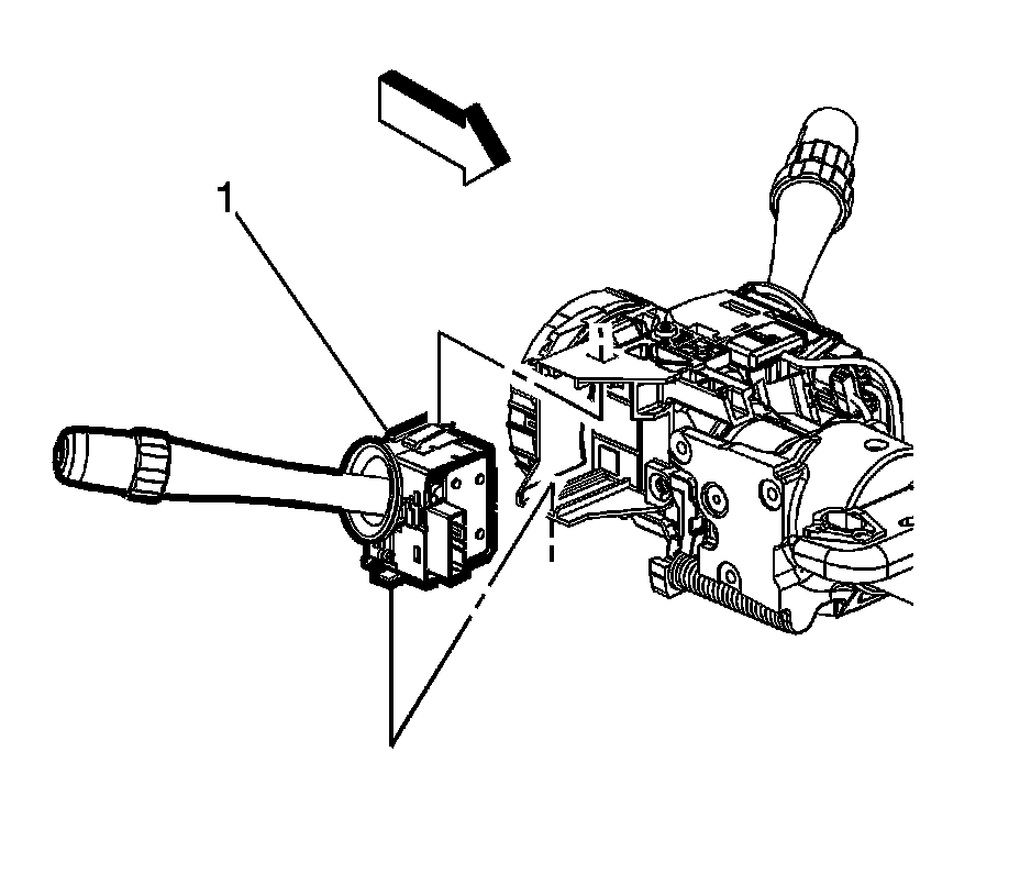
3. Disconnect the electrical connector from the windshield wiper and windshield washer switch (1).

4. Release the upper and lower retaining clips and slide the windshield wiper and windshield washer switch (1) from the steering column turn signal switch bracket.

Installation Procedure




1. Slide the windshield wiper and windshield washer switch (1) into the steering column turn signal switch bracket until the upper and lower retaining clips snap into place.

2. Connect the electrical connector into the windshield wiper and windshield washer switch (1).

3. Install the upper and lower steering column trim cover assembly. Refer to Steering Column Trim Cover Replacement (Manual) Steering Column Trim Cover Replacement (Manual)Steering Column Trim Cover Replacement (Telescoping) Steering Column Trim Cover Replacement (Telescoping).

4. Install the steering wheel. Refer to Steering Wheel Replacement Steering Wheel Replacement.