Curiosii for ever!
: Car repair manuals for everyone.
Home
>>
Chevrolet
>>
2012
>>
Corvette V8-6.2L
>>
Repair and Diagnosis
>>
Transmission and Drivetrain
>>
Automatic Transmission/Transaxle
>>
Transmission Speed Sensor
>>
Service and Repair
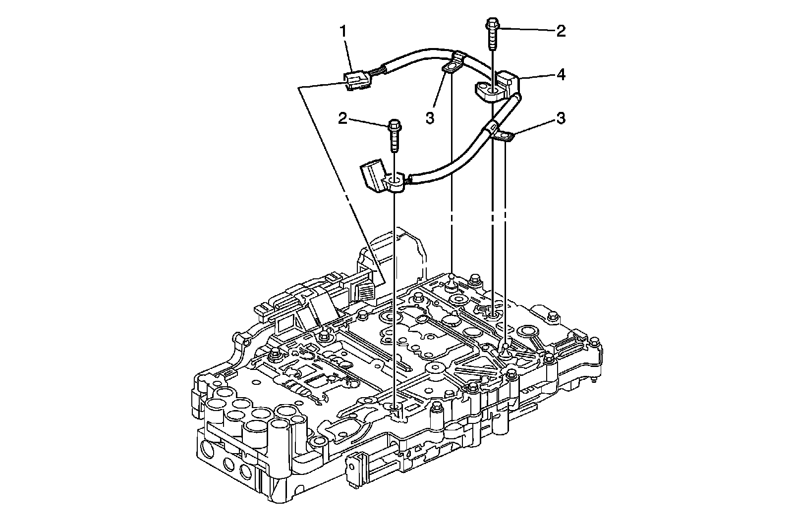
Transmission Speed Sensor: Service and Repair
Input and Output Speed Sensor Replacement