Curiosii for ever!: Car repair manuals for everyone.

Condenser HVAC: Service and Repair




Air Conditioning Condenser Replacement

Special Tools

J 39400-A Halogen Leak Detector

Removal Procedure

1. Remove the air cleaner assembly. Refer to Air Cleaner Assembly Replacement Service and Repair.

Warning:
Refer to Safety Glasses Warning Safety Glasses Warning.


2. Recover the refrigerant. Refer to Refrigerant Recovery and Recharging Refrigerant Recovery and Recharging.





Note:
Remove the upper radiator support brackets by raising the securing lock upwards 10 mm and slide the bracket out of the radiator slide pin.

3. Remove the upper radiator support brackets (1).

Danger:
To avoid any vehicle damage, serious personal injury or death when major components are removed from the vehicle and the vehicle is supported by a hoist, support the vehicle with jack stands at the opposite end from which the components are being removed and strap the vehicle to the hoist.


4. Raise and support the vehicle. Refer to Lifting and Jacking the Vehicle Service and Repair.

5. Remove the air deflector front.

6. Place a large suitable container under the condenser.





7. Disconnect the power steering cooler hoses (1).

Note:
Plug or cap the power steering cooler hose (1) ends to prevent leaks and/or contamination.

8. Plug or cap the power steering cooler hose (1) ends.





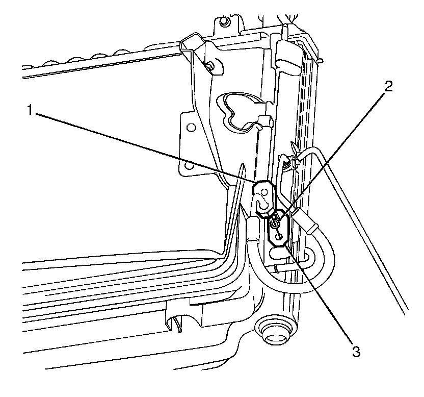
9. Remove the liquid pipe to the condenser port retaining nut (1).

10. Lower the vehicle.





11. Disconnect the liquid pipe (1) from the condenser port (3).

Note:
The sealing washer (2) is a single use item and must be discarded after use.

12. Remove the sealing washer (2). Refer to Air Conditioning System Seal Replacement Air Conditioning System Seal Replacement.

Discard the sealing washer.

Note:
Cover any opening of the A/C system with a suitable cap or tape immediately, to prevent absorption of moisture from the atmosphere.

13. Cap or plug the liquid pipe (1) and the condenser port (3).

14. Lower the vehicle.





Note:
Gently push the radiator and condenser towards the engine to allow removal of the discharge pipe to condenser retaining nut (1).

15. Remove the discharge pipe to condenser retaining nut (1).





16. Disconnect the discharge pipe (1) from condenser (3) and position aside.

17. Remove the sealing washer (2). Refer to Air Conditioning System Seal Replacement Air Conditioning System Seal Replacement.

Discard the sealing washer.

Note:
Cover any opening of the A/C system with a suitable cap or tape immediately, to prevent absorption of moisture from the atmosphere.

18. Cap or plug the discharge pipe (1) and the condenser (3).





Note:
Gently push the radiator and condenser towards the engine to allow removal of the condenser to radiator retaining bolts (1).

19. Remove the condenser to radiator retaining bolts (1).

Note:
Remove the condenser by lifting it up between the radiator and radiator support.

20. Remove the condenser from the engine compartment.

Installation Procedure

Note:
Install the condenser by lowering down between the radiator and radiator support.

1. Install the condenser to the engine compartment.





Caution:
Refer to Fastener Caution Fastener Caution.

Note:
Gently push the radiator and condenser towards the engine to allow installation of the condenser to radiator retaining bolts (1).

2. Install the condenser to radiator retaining bolts (1).

Tighten the bolts to 11 Nm (97 lb in).





3. Remove the plugs or caps from the discharge pipe (1) and the condenser (3).

Note:
DO NOT coat the NEW sealing washer (2) with oil, they must be fitted dry. The use of mineral oil will render the sealing washer (2) useless, as the sealing washer (2) WILL swell causing refrigerant to leak out.

4. Install a NEW sealing washer (2). Refer to Air Conditioning System Seal Replacement Air Conditioning System Seal Replacement.

5. Install the discharge pipe (1) to condenser (3).





Note:
Gently push the radiator and condenser towards the engine to allow installation of the discharge pipe to condenser retaining nut (1).

6. Install the discharge pipe to condenser retaining nut (1).

Tighten the nut to 18 Nm (13 lb ft).

7. Raise the vehicle.





8. Remove the plugs or caps from the suction pipe liquid pipe (1) and the condenser port.

Note:
DO NOT coat the NEW sealing washer with oil, they must be fitted dry. The use of mineral oil will render the sealing washer useless, as the sealing washer WILL swell causing refrigerant to leak out.

9. Install a NEW sealing washer. Refer to Air Conditioning System Seal Replacement Air Conditioning System Seal Replacement.

10. Connect the liquid pipe to the condenser port.





11. Install the liquid pipe to condenser port retaining bolt (1).

Tighten the bolt to 18 Nm (13 lb ft).





12. Remove the plug or cap at the power steering cooler hose (1) ends.

13. Connect the power steering cooler hoses (1).

14. Install the air deflector front.

15. Lower the vehicle.





16. Install radiator upper retaining brackets (1).

17. Fill the power steering fluid reservoir as necessary. Refer to Checking and Adding Power Steering Fluid Power Steering.

Note:
The receiver and dehydrator is a single use only component. A NEW receiver and dehydrator must be installed whenever a closed A/C system is opened or exposed to atmosphere. If the receiver and dehydrator has been replaced following a service/repair and it is deemed necessary to immediately re-open the A/C system it is not necessary to replace the receiver and dehydrator again providing the A/C system is plugged/capped correctly.

18. Replace the receiver and dehydrator. Refer to Receiver and Dehydrator Replacement Service and Repair.

19. Evacuate and recharge the A/C system. Refer to Refrigerant Recovery and Recharging Refrigerant Recovery and Recharging.

20. Install the air cleaner assembly. Refer to Air Cleaner Assembly Replacement Service and Repair.

21. Leak test the fittings of the component using J 39400-A.