Curiosii for ever!: Car repair manuals for everyone.

Battery Positive Cable Extension Cable Junction Block Replacement




Battery Positive Cable Extension Cable Junction Block Replacement

Removal Procedure





1. Disconnect the negative battery cable. Refer to Battery Negative Cable Disconnection and Connection (Primary) Battery Negative Cable Disconnection and Connection (Primary)Battery Negative Cable Disconnection and Connection (Auxiliary) Battery Negative Cable Disconnection and Connection (Auxiliary).

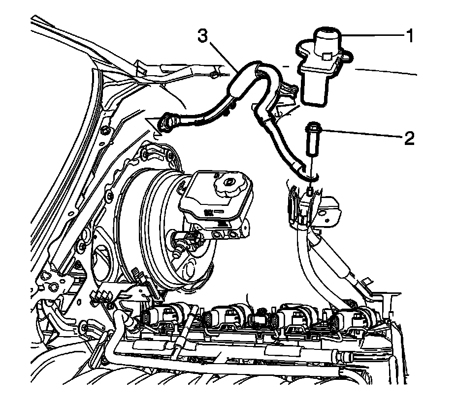
2. Remove the battery positive retainer nut (1) from the battery positive extension cable bolt.





3. Remove the junction block cover (1) and the junction block retainer (2).

4. Remove the battery positive cable extension cable (3) from the engine compartment.

Installation Procedure





Caution:
Refer to Fastener Caution Fastener Caution.

1. Install the battery positive extension cable (3) to the junction block and tighten the retainer (2) to 15 Nm (11 lb ft).

2. Install the junction block cover (1).





3. Install the battery positive cable to the battery positive extension cable bolt and tighten the nut (1) to 5 Nm (44 lb in).

4. Connect the battery negative cable. Refer to Battery Negative Cable Disconnection and Connection (Primary) Battery Negative Cable Disconnection and Connection (Primary)Battery Negative Cable Disconnection and Connection (Auxiliary) Battery Negative Cable Disconnection and Connection (Auxiliary).