Curiosii for ever!: Car repair manuals for everyone.

Windshield Wiper System Module Replacement




Windshield Wiper System Module Replacement

Removal Procedure

Note: The new wiper drive system module does not include the wiper motor nor the motor support bracket. You must install the old components to the new wiper system module.




1. Remove the wiper arms. Refer to Windshield Wiper Arm Replacement (Service and Repair).
2. Remove the air inlet grille panel. Refer to Air Inlet Grille Panel Replacement (Air Inlet Grille Panel Replacement).
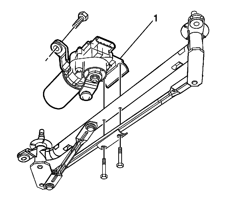
3. Remove the bolts (1) attaching the wiper module to the plenum.
4. Carefully lift the wiper module out of the plenum.
5. Disconnect the electrical connector from the wiper motor.
6. Remove the wiper module assembly (2) from the vehicle.




7. Remove the wiper motor (1). Refer to Windshield Wiper Motor Replacement (Windshield Wiper Motor Replacement).

Installation Procedure




1. Install the wiper motor (1). Refer to Windshield Wiper Motor Replacement (Windshield Wiper Motor Replacement).
2. Connect the electrical connector to the wiper motor.




3. Position the wiper module assembly (2) into the plenum.

Caution: Refer to Fastener Caution (Fastener Caution).

4. Install the fasteners (1) attaching the wiper module assembly to the plenum and tighten to 10 Nm (89 lb in).
5. Install the air inlet grille panel. Refer to Air Inlet Grille Panel Replacement (Air Inlet Grille Panel Replacement).
6. Install the wiper arms. Refer to Windshield Wiper Arm Replacement (Service and Repair).
7. Inspect the washers for proper operation.