Curiosii for ever!: Car repair manuals for everyone.

Positive: Service and Repair




Battery Positive and Negative Cable Replacement (LS7,LS9 or LS3 with Z52)

Removal Procedure

1. Disconnect the negative battery cable. Refer to Battery Negative Cable Disconnection and Connection (LS7 or LS9) (Battery Negative Cable Disconnection and Connection)Battery Negative Cable Disconnection and Connection (LS3) (Battery Negative Cable Disconnection and Connection).




2. Remove the battery positive cable nut (1) and remove the battery positive cable lead (2).




3. Remove the battery negative cable nut (1) and the negative battery cable terminal (2).
4. Raise and support the vehicle. Refer to Lifting and Jacking the Vehicle (Service and Repair).




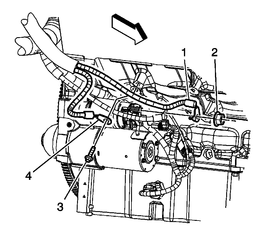
5. Remove the battery positive/negative cable bolt (3) from the engine block.
6. Remove the battery positive/negative cable nut (2) from the starter solenoid.




7. Remove the pass-through grommet from the right side footwell and pull the battery positive cable harness into the passenger compartment.
8. Remove the straps (1) and retainers (2) along the rocker panel.
9. Remove the retainers (3) from the seat back panel.




10. Remove the battery positive post clamp nut (1).
11. Remove the battery positive cable from the hold down straps (2) and remove the battery positive cable (3) from the vehicle

Installation Procedure

1. Position the battery positive/negative cable into the vehicle.





Caution: Refer to Fastener Caution (Fastener Caution).

2. Install the battery positive/negative cable nut (2) to the starter solenoid and tighten to 10 Nm (89 lb in).
3. Install the battery positive/negative cable bolt (3) to the engine block and tighten to 40 Nm (30 lb ft).
4. Lower the vehicle.




5. Install the battery negative cable terminal (2) and nut (1).Tighten to 25 Nm (18 lb ft).




6. Install the battery positive cable nut (1) and tighten to 8 Nm (71 lb in).




7. Route the battery positive cable through the plenum and fasten along the rocker panel with the straps (1) and fasteners (2),(3).




8. Secure the battery positive cable (3) along the right rear compartment with straps (2).
9. Connect the battery positive cable clamp to the battery post and tighten nut (1) to 8 Nm (71 lb in)
10. Connect the negative battery cable.Refer to Battery Negative Cable Disconnection and Connection (LS7 or LS9) (Battery Negative Cable Disconnection and Connection)Battery Negative Cable Disconnection and Connection (LS3) (Battery Negative Cable Disconnection and Connection)