Curiosii for ever!
: Car repair manuals for everyone.
Home
>>
Chevrolet
>>
2010
>>
Malibu L4-2.4L
>>
Repair and Diagnosis
>>
Diagrams
>>
Electrical Diagrams
>>
Powertrain Management
>>
Computers and Control Systems
>>
Information Bus
Information Bus
Data Communication Schematics
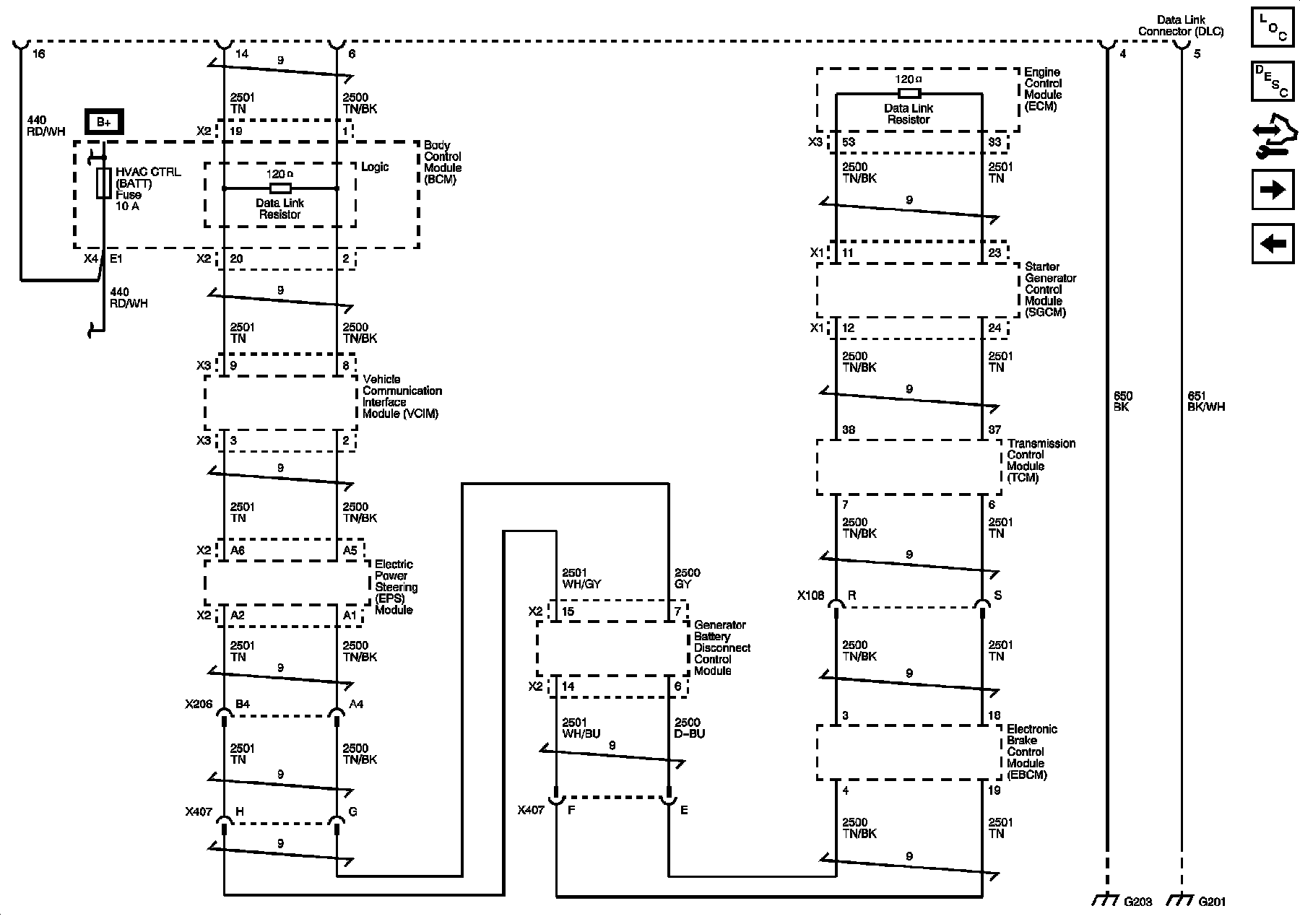
Power, Ground, and High Speed Serial Data (without HP7)
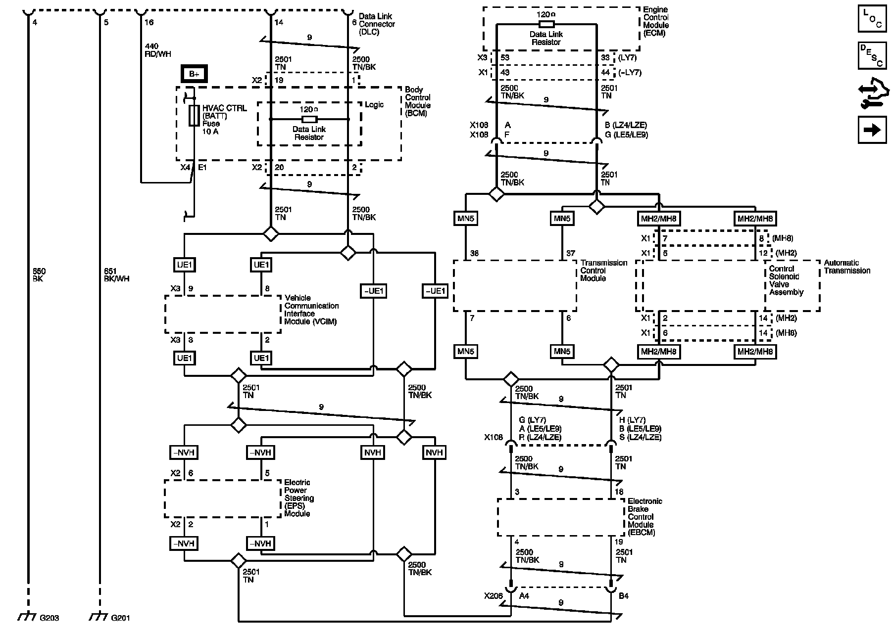
Power, Ground, and High Speed Serial Data (HP7)
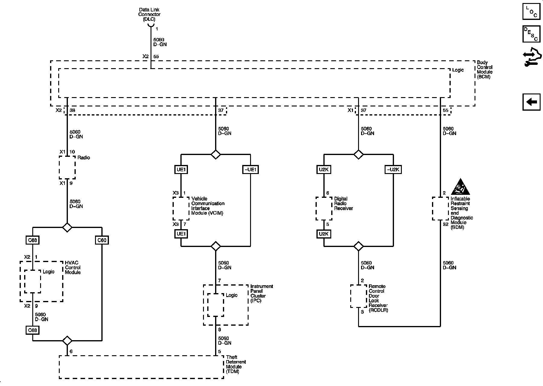
Low Speed Serial Data