Curiosii for ever!: Car repair manuals for everyone.

Generator Control Module Cover Replacement




Generator Control Module Cover Replacement

Removal Procedure




1. Open the hood.
2. Grasp the generator control module cover by the left side and lift up in order to disengage the cover from the ball studs.
3. Remove the generator control module cover tab from the battery tray slot.
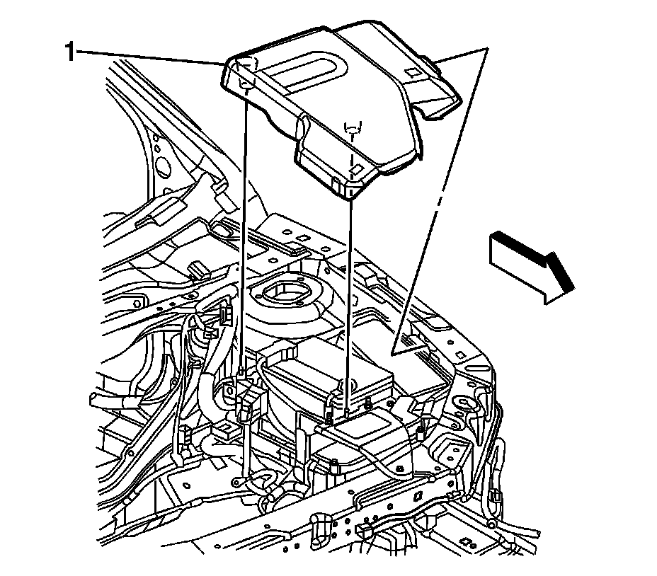
4. Remove the generator control module cover (1).

Installation Procedure




1. Place the generator control module cover (1) tab into the battery tray slot.
2. Set the cover over the ball studs and press down on the cover directly over the ball studs in order to secure the cover.
3. Close the hood.