Curiosii for ever!
: Car repair manuals for everyone.
Home
>>
Chevrolet
>>
2010
>>
Impala V6-3.9L
>>
Repair and Diagnosis
>>
Starting and Charging
>>
Power and Ground Distribution
>>
Diagrams
>>
Electrical Diagrams
>>
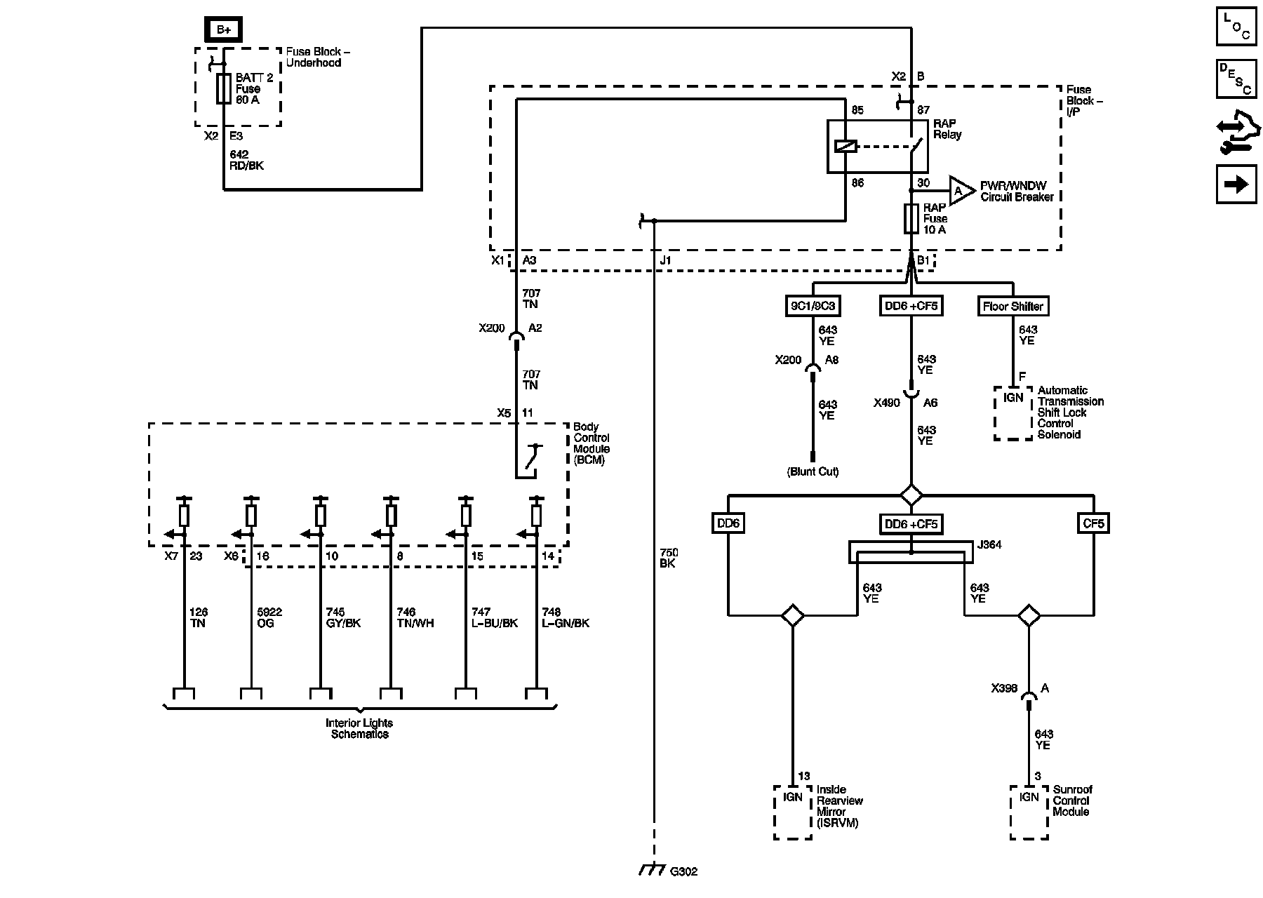
Power Moding Schematics
Power Moding Schematics
Power Moding Schematics
RAP Fuse Circuits
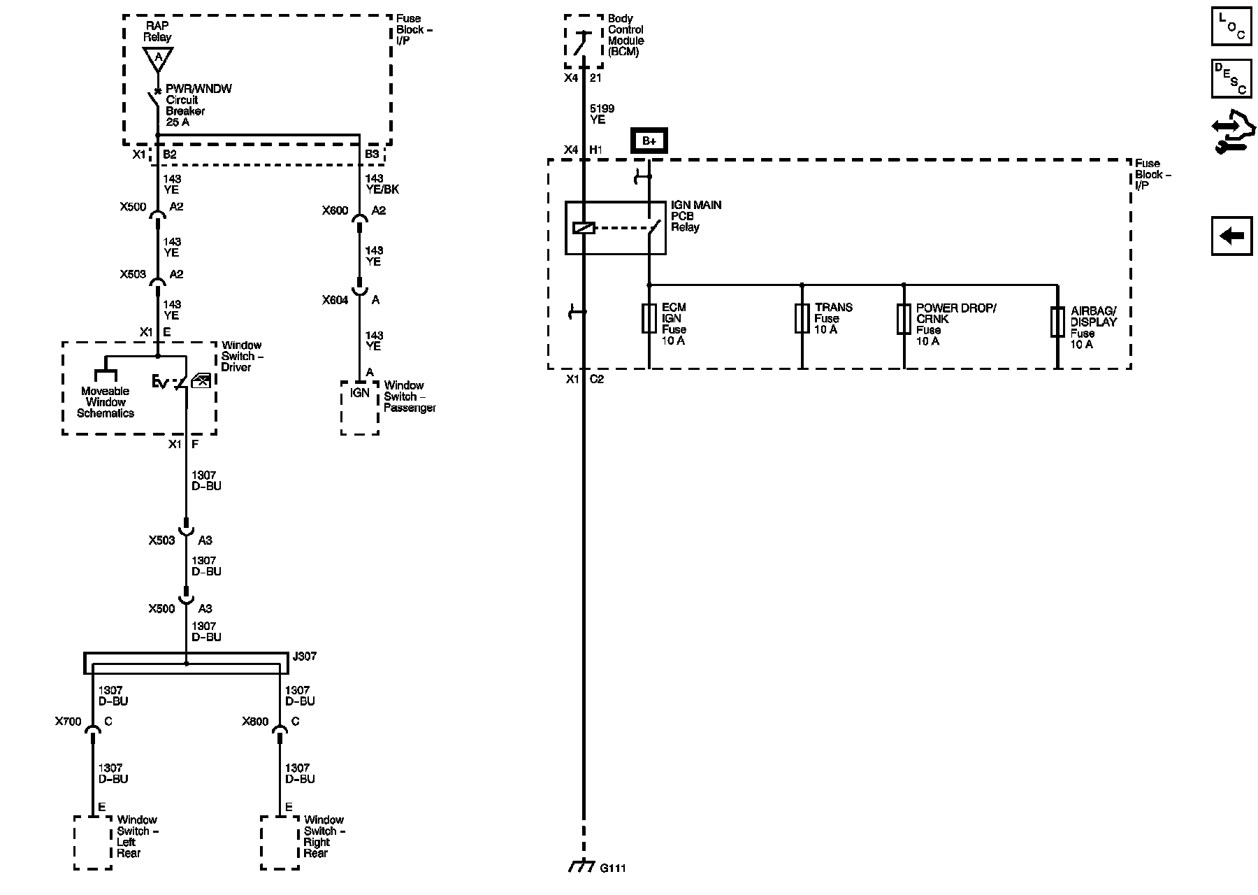
Power Window Circuits