Curiosii for ever!: Car repair manuals for everyone.

Removal and Replacement




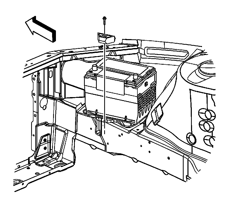
Battery Replacement (RPOs LZE/LZ4/LGD)

Removal Procedure

Note: Do not tip the battery more than 40 degrees during removal.




1. Disconnect the negative battery cable. Refer to Battery Negative Cable Disconnection and Connection (RPOs LZE/LZ4/LGD) (Battery Negative Cable Disconnection and Connection).
2. Remove the right front diagonal brace. Refer to Front Fender Upper Diagonal Brace Replacement (Front Fender Upper Diagonal Brace Replacement).
3. Open the positive battery cable terminal cover (7).
4. Loosen the positive battery cable terminal nut.
5. Remove the positive battery cable terminal from the battery.




6. Remove the battery insulator.




7. Remove the battery hold down bolt and hold down.
8. Remove the battery.

Installation Procedure

Note: Do not tip the battery more than 40 degrees during installation.




1. Install the battery.

Caution: Refer to Fastener Caution (Fastener Caution).

2. Install the battery hold down and bolt.

Tighten the bolt to 18 Nm (13 lb ft).




3. Install the battery insulator.




4. Install the positive battery cable terminal to the battery.
5. Tighten the positive battery cable terminal nut.

Tighten the nut to 15 Nm (11 lb ft).

6. Snap closed the positive battery cable terminal cover (7).
7. Install the right front diagonal brace. Refer to Front Fender Upper Diagonal Brace Replacement (Front Fender Upper Diagonal Brace Replacement).
8. Connect the negative battery cable. Refer to Battery Negative Cable Disconnection and Connection (RPOs LZE/LZ4/LGD) (Battery Negative Cable Disconnection and Connection).