Curiosii for ever!: Car repair manuals for everyone.

Battery Positive and Negative Cable Replacement




Battery Positive and Negative Cable Replacement (RPOs LZE/LZ4/LGD)

Removal Procedure

Note: When replacing battery cables be sure to use replacement cables that are the same type, gage, and length.




1. Disconnect the negative battery cable. Refer to Battery Negative Cable Disconnection and Connection (RPOs LZE/LZ4/LGD) (Battery Negative Cable Disconnection and Connection).
2. Open the positive battery cable terminal cover (7).
3. Loosen the positive battery cable terminal nut.
4. Remove the positive battery cable terminal (1) from the battery.
5. Remove the ground wire bolt (2) and wire (3) from the upper tie bar.
6. Disconnect the instrument panel (I/P) harness electrical connector (1) from the battery current sensor.




7. Disconnect the battery cable connector from the I/P harness connector.




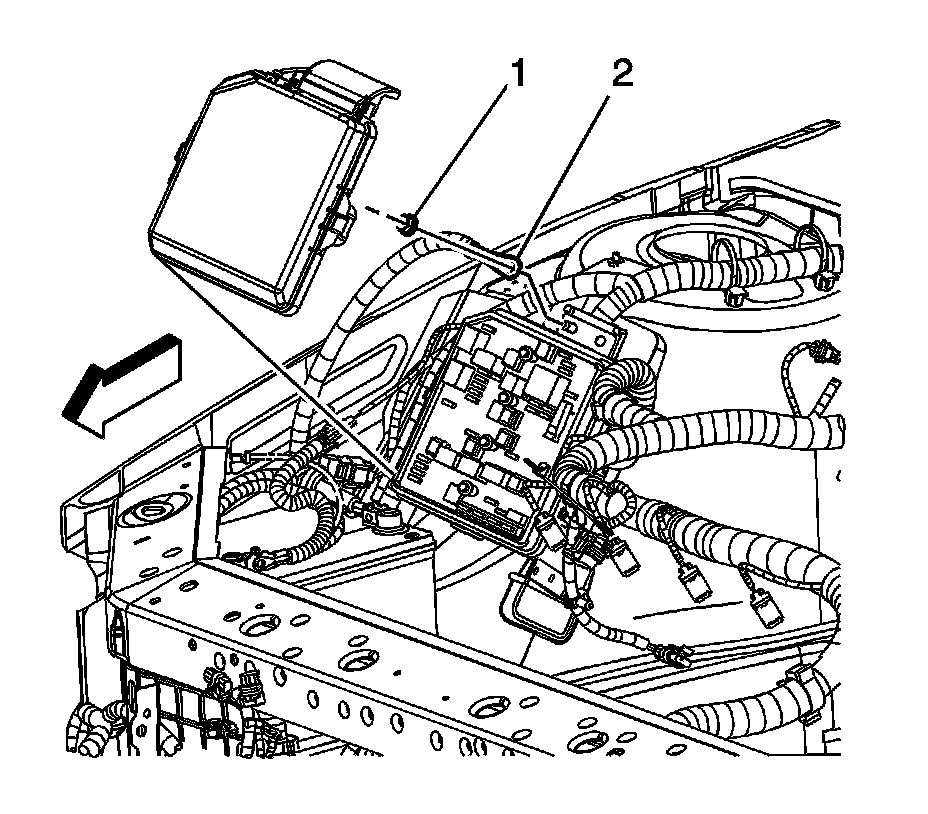
8. Remove the bussed electrical center (BEC) cover.
9. Remove the positive battery cable junction block lead nut (1).
10. Remove the positive battery cable (2) from the BEC.
11. Raise and support the vehicle. Refer to Vehicle Lifting (Service and Repair).
12. Remove the front lower air deflector. Refer to Radiator Air Lower Baffle and Deflector Replacement (Radiator Air Lower Baffle and Deflector Replacement).




13. Remove the starter solenoid BAT terminal nut (3) from the starter.
14. Remove the positive battery cable (2) from the starter motor.
15. Lower the vehicle.




16. Remove the transaxle stud nut (2).
17. Remove the battery cable ground (1) from the transaxle stud.




18. Remove the positive and negative battery cable retainers (5) from the right hand rail.
19. Remove the positive and negative battery cable retainers (6) from the cradle.
20. Remove the positive and negative battery cable assembly from the vehicle.




21. If replacing the cable assembly, perform the following:

1. Cut the tie straps and electrical tape attaching the battery current sensor to the battery cable.
2. Squeeze the cable branches together.

Note: Note the position of the battery current sensor prior to removal.

3. Slide the battery current sensor (1) off of the battery cable.

Installation Procedure




1. If the cable assembly was replaced, perform the following:

1. Slide the battery current sensor (1) onto the battery cable.

Note: Ensure that the tape tab is pointing towards the positive cable terminal.

2. Using NEW tie straps and electrical tape, attach the battery current sensor to the battery cable.




2. Install the positive and negative battery cable assembly to the vehicle.
3. Install the positive and negative battery cable retainers (6) to the cradle.
4. Install the positive and negative battery cable retainers (5) to the right hand rail.




5. Install the battery cable ground (1) to the transaxle stud.

Caution: Refer to Fastener Caution (Fastener Caution).

6. Install the transaxle stud nut (2).

Tighten the nut to 30 Nm (22 lb ft).

7. Raise and support the vehicle.




8. Install the positive battery cable (2) to the starter motor.
9. Install the starter solenoid BAT terminal nut (3) to the starter.

Tighten the nut to 10 Nm (89 lb in).

10. Install the front lower air deflector. Refer to Radiator Air Lower Baffle and Deflector Replacement (Radiator Air Lower Baffle and Deflector Replacement).
11. Lower the vehicle.




12. Install the positive battery cable (2) to the BEC.
13. Install the positive battery cable junction block lead nut (1).

Tighten the nut to 10 Nm (89 lb in).

14. Install the BEC cover.




15. Connect the battery cable connector to the I/P harness connector.




16. Connect the I/P harness electrical connector (1) to the battery current sensor.
17. Install the ground wire (3) and bolt (2) to the upper tie bar.

Tighten the bolt to 10 Nm (89 lb in).

18. Install the positive battery cable terminal (1) to the battery.
19. Tighten the positive battery cable terminal nut.

Tighten the bolt to 15 Nm (11 lb ft).

20. Snap closed the positive battery cable terminal cover (7).
21. Connect the negative battery cable. Refer to Battery Negative Cable Disconnection and Connection (RPOs LZE/LZ4/LGD) (Battery Negative Cable Disconnection and Connection).