Curiosii for ever!: Car repair manuals for everyone.

Parking Pawl, A/T




Disassembled Views

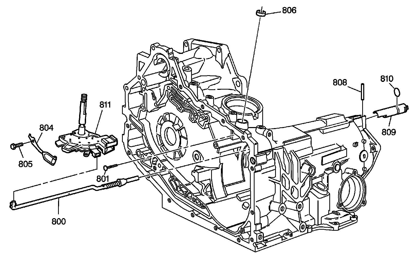
Manual Shaft and Parking System Assembly




800 - Park Pawl Actuator Assembly
801 - Manual Shift Shaft Pin
804 - Manual Shift Detent Assembly
805 - Manual Shift Detent Bolt/Screw
806 - Manual Shift Shaft Seal Assembly
808 - Park Pawl Actuator Guide Pin
809 - Park Pawl Actuator Guide
810 - Park Pawl Actuator Guide O-Ring Seal
811 - Lever Assembly-Manual Shaft Detent with Internal Mode Switch (IMS)