Curiosii for ever!: Car repair manuals for everyone.

Air Injection Check Valve: Service and Repair




Secondary Air Injection Shutoff and Check Valve Replacement

Removal Procedure




1. Remove the exhaust crossover pipe. Refer to Exhaust Crossover Pipe Replacement (LZE/LZ4/LGD) (Service and Repair).
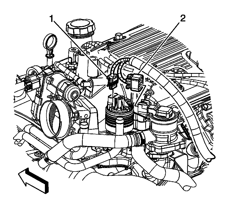
2. Disconnect the secondary air injection (AIR) feed tube quick connect fitting (1) from the AIR shutoff/check valve. Refer to Plastic Collar Quick Connect Fitting Service (Plastic Collar Quick Connect Fitting Service).
3. Remove the AIR feed tube bolt (3) from the heater inlet/outlet pipe bracket.




4. Disconnect the engine wiring harness electrical connector (2) from the AIR shutoff/check valve.
5. Raise and suitably support the vehicle. Refer to Vehicle Lifting (Service and Repair).




6. Remove the AIR shutoff/check valve nuts (1).
7. Lower the vehicle.
8. Remove the AIR shutoff/check valve bolts (2).
9. Remove the AIR check valve and gasket. Discard the gasket.

Installation Procedure




1. Install a NEW gasket onto the AIR pipe studs.
2. Position and install the AIR check valve.

Caution: Refer to Fastener Caution (Fastener Caution).

3. Install the AIR shutoff/check valve bolts (2).

Tighten the bolts to 50 Nm (37 lb ft).

4. Raise and support the vehicle.
5. Install the AIR shutoff/check valve nuts (1).

Tighten the nuts to 10 Nm (89 lb in).




6. Lower the vehicle.
7. Connect the engine wiring harness electrical connector (2) to the AIR shutoff/check valve.




8. Connect the AIR feed tube quick connect fitting (1) to the AIR shutoff/check valve. Refer to Plastic Collar Quick Connect Fitting Service (Plastic Collar Quick Connect Fitting Service).
9. Install the AIR feed tube bolt (3) to the heater inlet/outlet pipe bracket.

Tighten the bolt to 10 Nm (89 lb in).

10. Install the exhaust crossover pipe. Refer to Exhaust Crossover Pipe Replacement (LZE/LZ4/LGD) (Service and Repair).