Curiosii for ever!
: Car repair manuals for everyone.
Home
>>
Chevrolet
>>
2010
>>
Impala V6-3.5L
>>
Repair and Diagnosis
>>
Diagrams
>>
Electrical Diagrams
>>
Starting System
>>
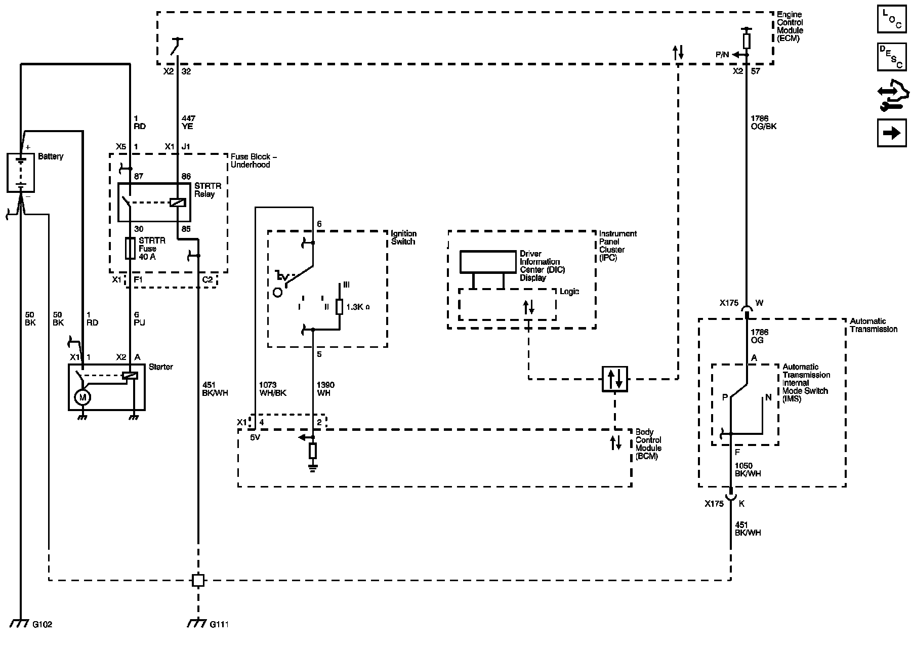
System Diagram
System Diagram
Starting and Charging
Schematics
Starter