Curiosii for ever!: Car repair manuals for everyone.

System Diagram



Engine Controls Schematics

ECM Power, Ground, MIL, and Serial Data






5-Volt and Low Reference Bussing






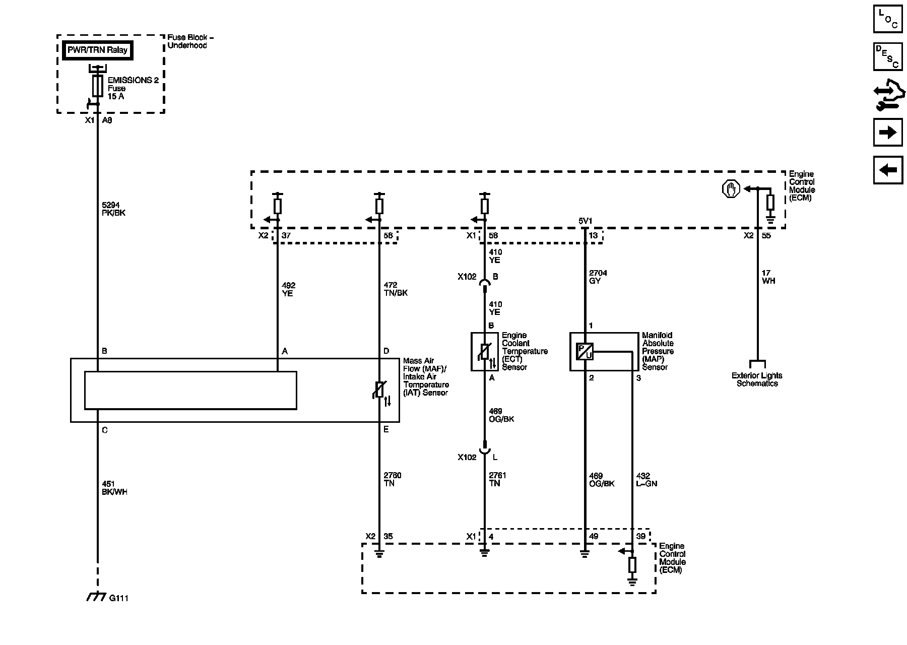
MAF/IAT, MAP, and ECT Sensors






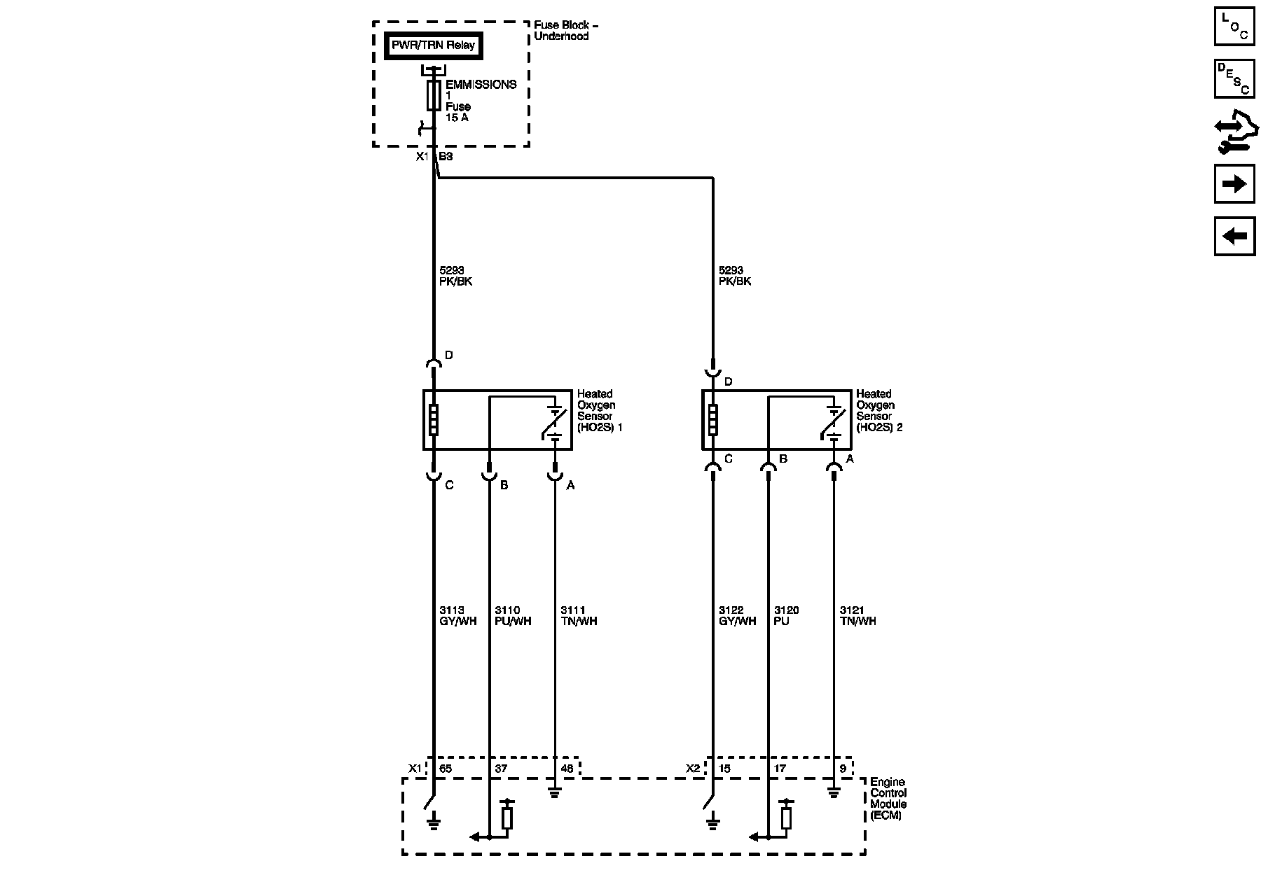
Heated Oxygen Sensors






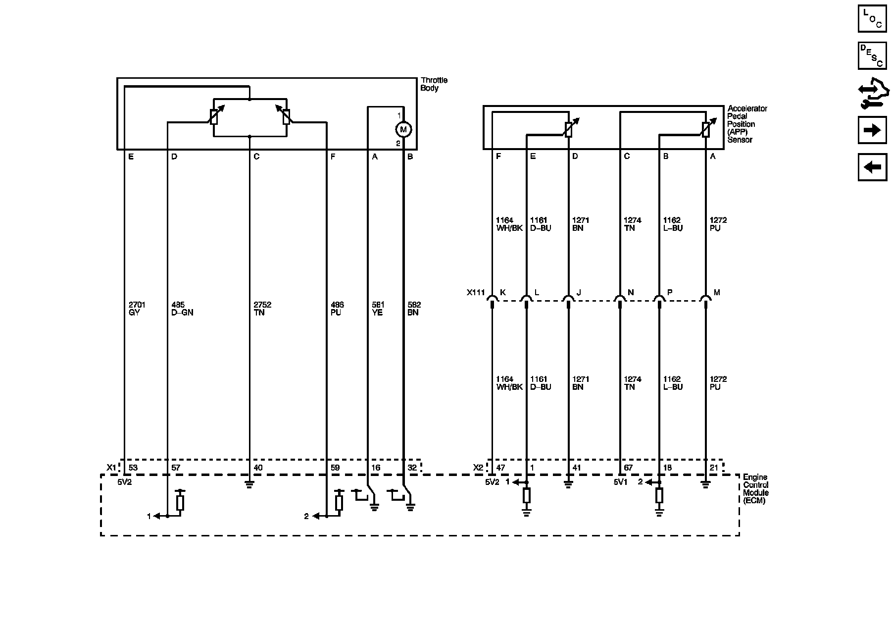
Electronic Throttle Controls






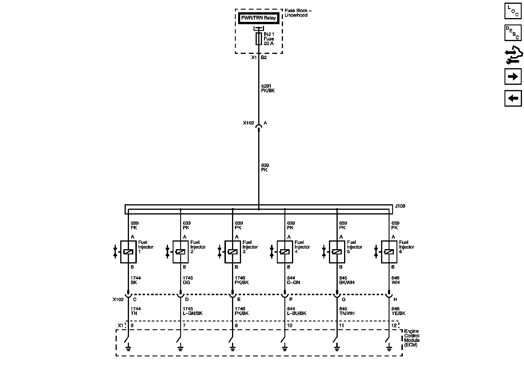
Fuel Injectors and Fuel Pump Controls






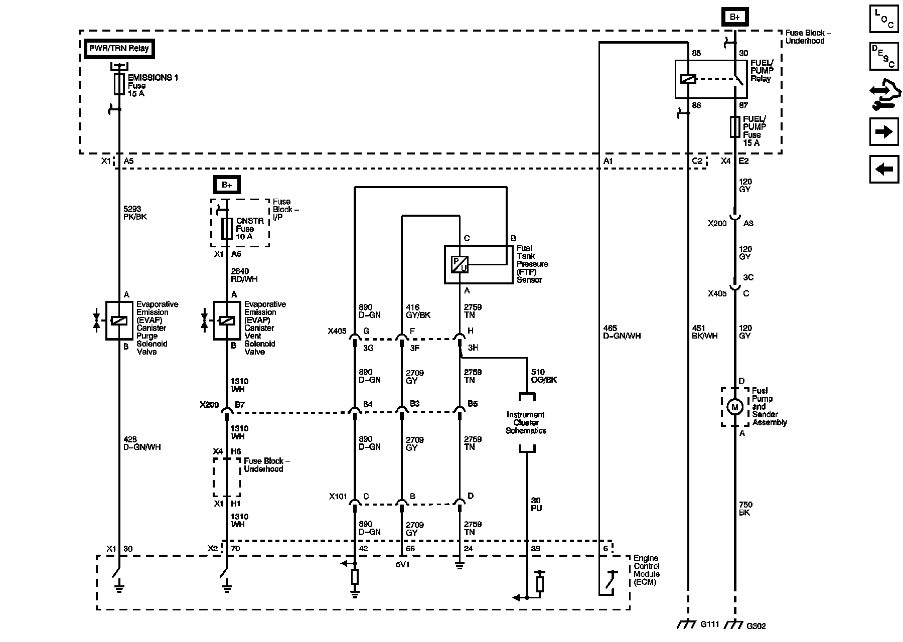
EVAP Solenoids and FTP Sensor






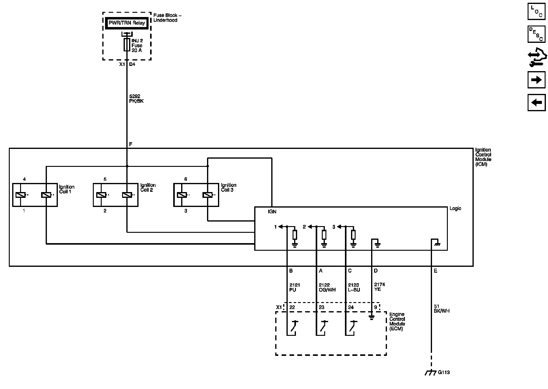
Ignition Control Module






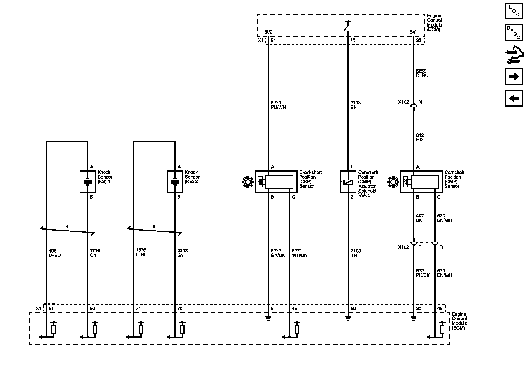
Camshaft, Crankshaft, Knock Sensors, and Camshaft Position Actuator Solenoid






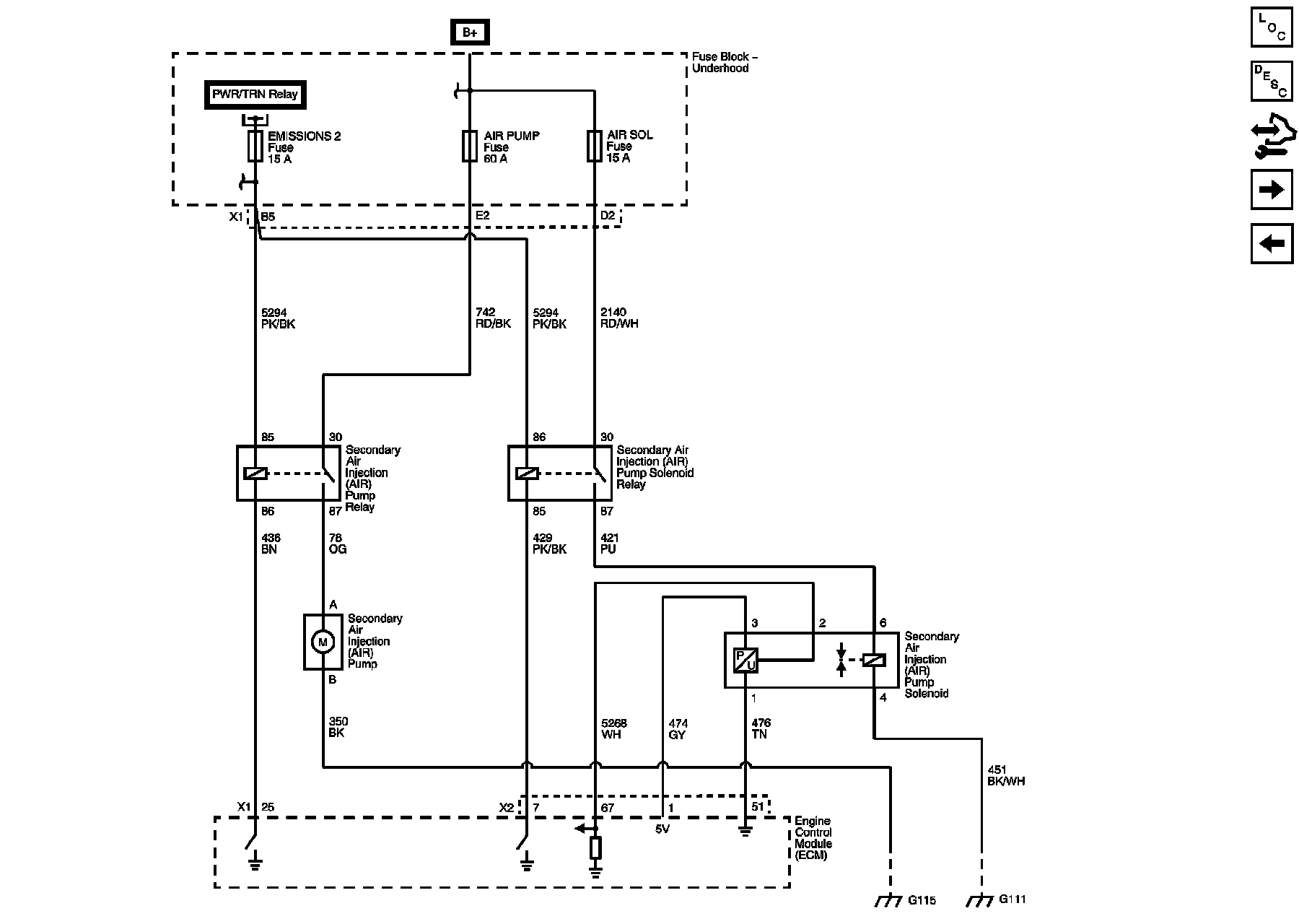
Secondary Air Injection - NU3






Controlled/Monitored Subsystem References