Curiosii for ever!
: Car repair manuals for everyone.
Home
>>
Chevrolet
>>
2010
>>
Impala V6-3.5L
>>
Repair and Diagnosis
>>
Diagrams
>>
Electrical Diagrams
>>
Power and Ground Distribution
>>
System Diagram
>>
Power Distribution Schematics
>>
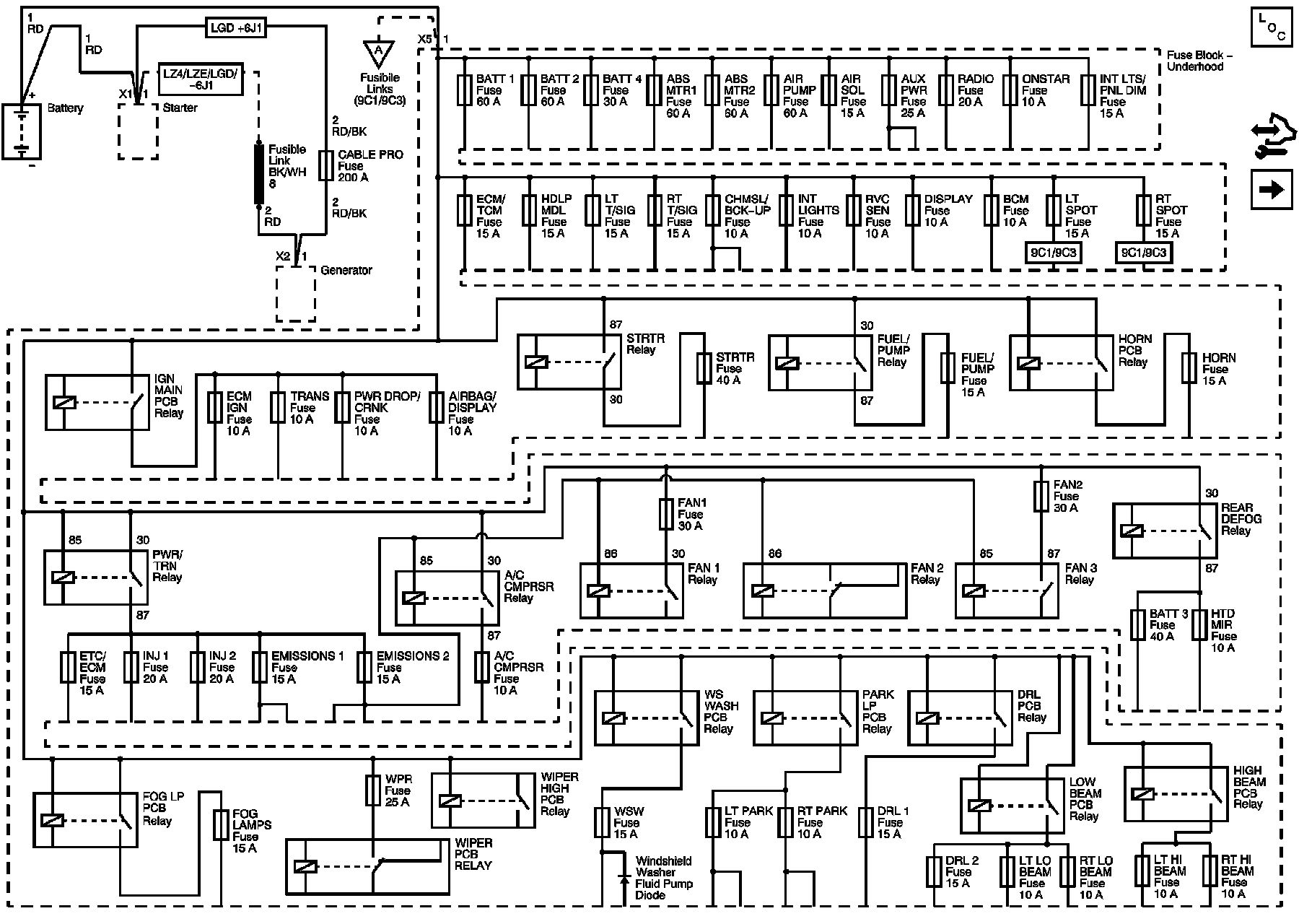
Power Distribution Schematic 1
Power Distribution Schematic 1
Power Distribution Schematics
Fuse Block
- Underhood Bussing