Curiosii for ever!: Car repair manuals for everyone.

System Diagram



Engine Controls Schematics

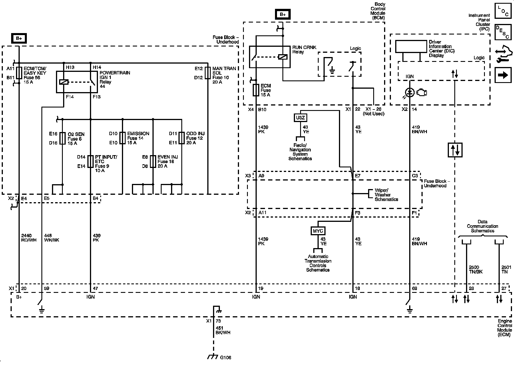
Power, Ground, Serial Data, and MIL






5-Volt Reference Bus






Low Reference Bus






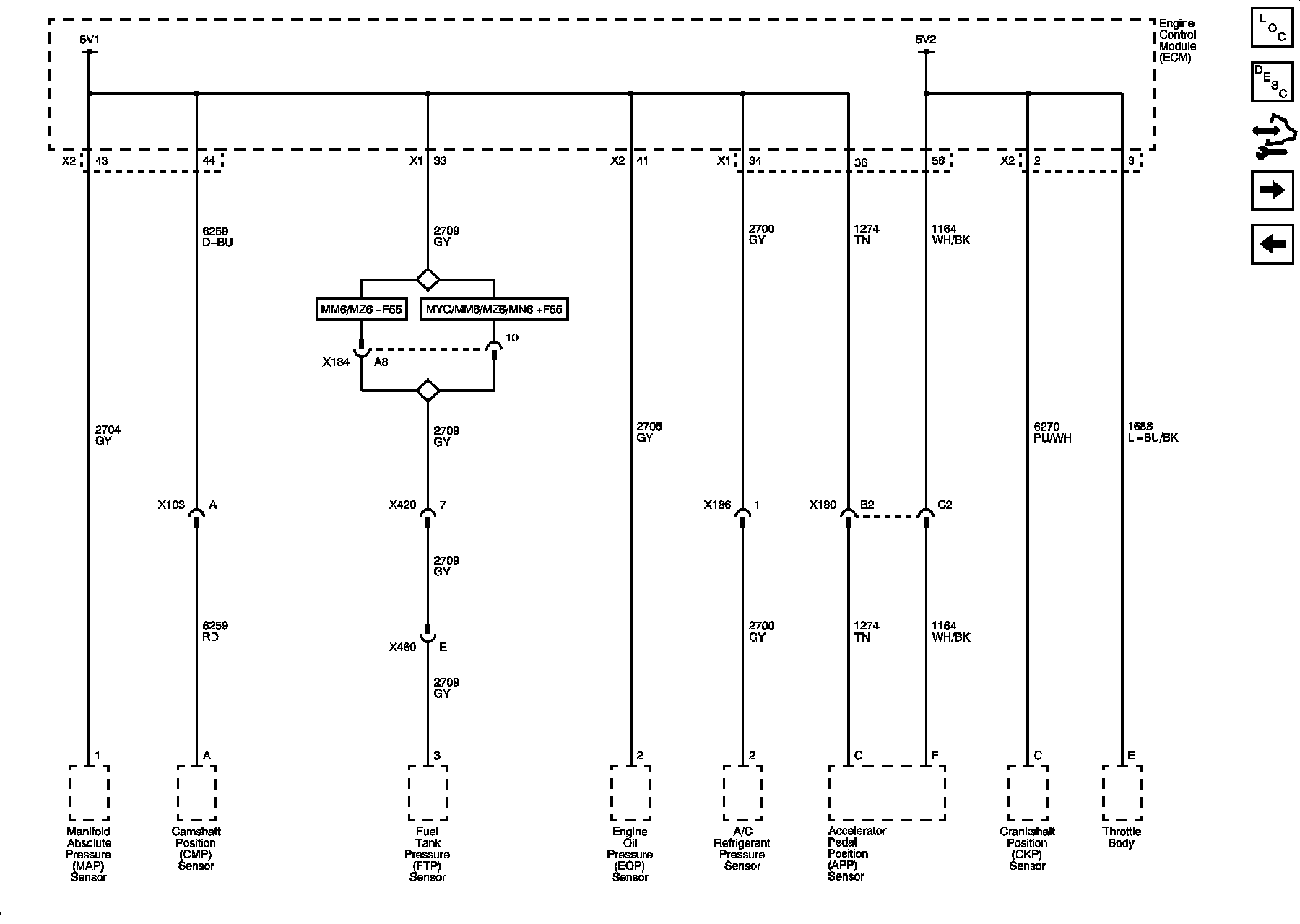
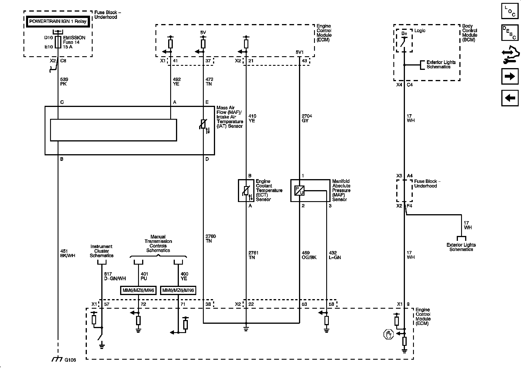
Stop Lamp Signals, and ECT, MAF/IAT, MAP, and Vehicle Speed Sensors






Heated Oxygen Sensors






Electronic Throttle Controls






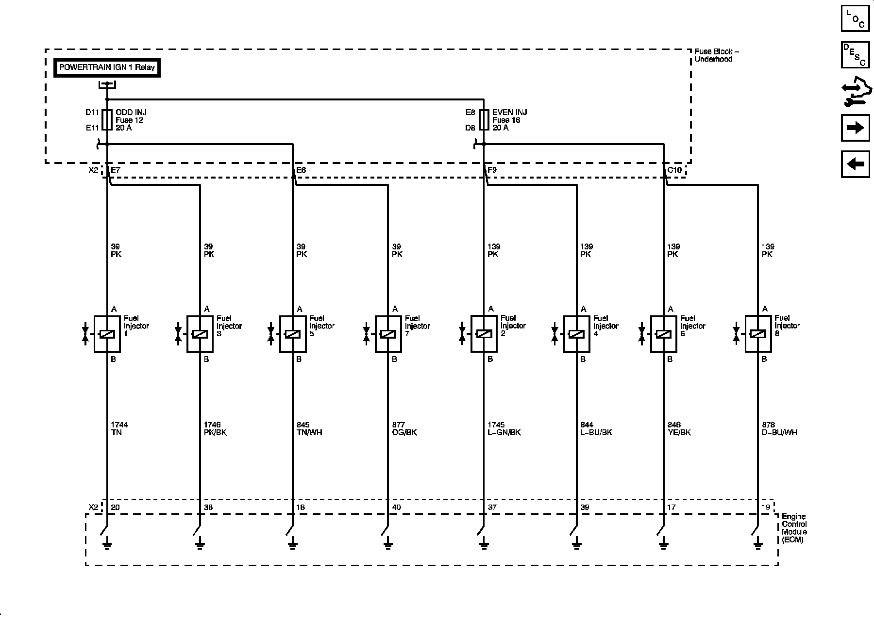
Fuel Injectors






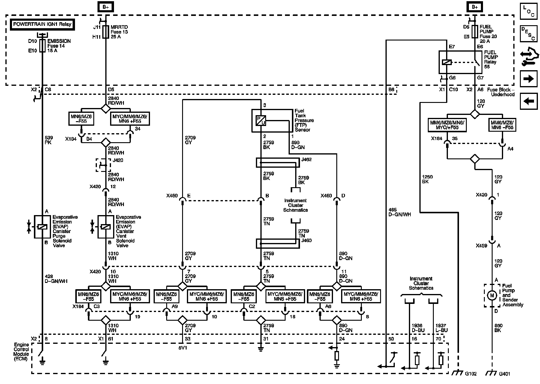
EVAP Solenoids, FTP Sensor, and Fuel Pump Controls






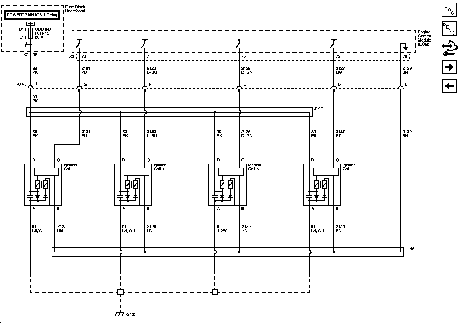
Ignition Controls Bank 1 (Odd) Ignition Coils






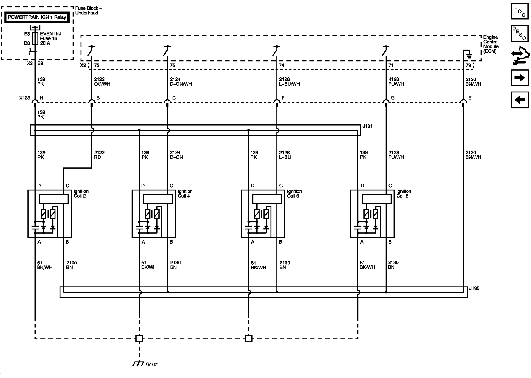
Ignition Controls Bank 2 (Even) Ignition Coils







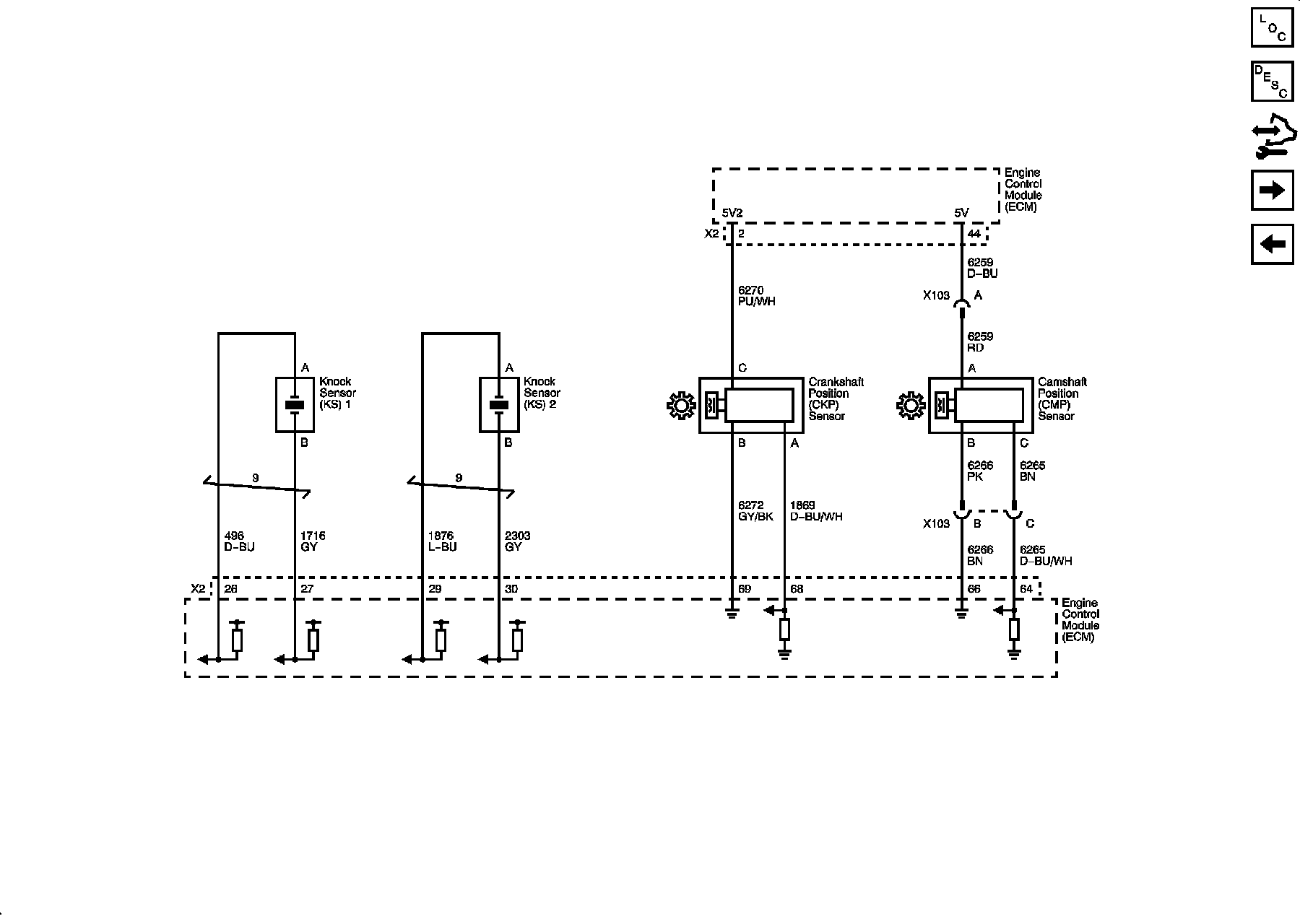
Ignition Controls - CMP, CKP, and KS Sensors






Controlled/Monitored Subsystem References