Curiosii for ever!: Car repair manuals for everyone.

Electrical Diagrams



Engine Controls Schematics

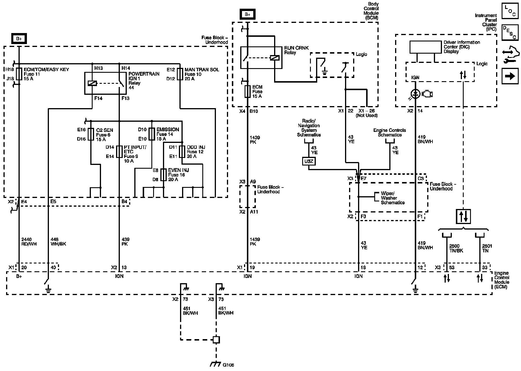
Power, Ground, Serial Data, and MIL






5-Volt Reference Bus






Low Reference Bus






ECT, MAF/IAT, MAP, and Supercharger Air Inlet and Air Outlet Sensors






Heated Oxygen Sensors






Electronic Throttle Controls






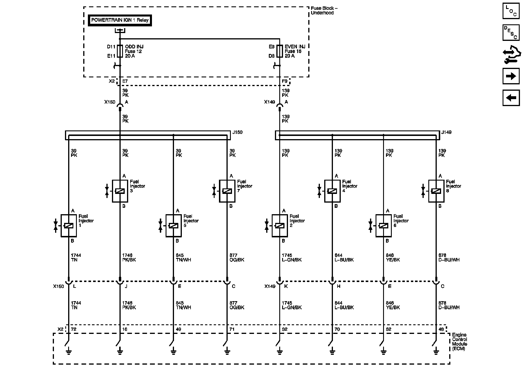
Fuel Injectors






Fuel Pump Controls






FTP Sensor, and EVAP and Supercharger Bypass Valve Solenoids






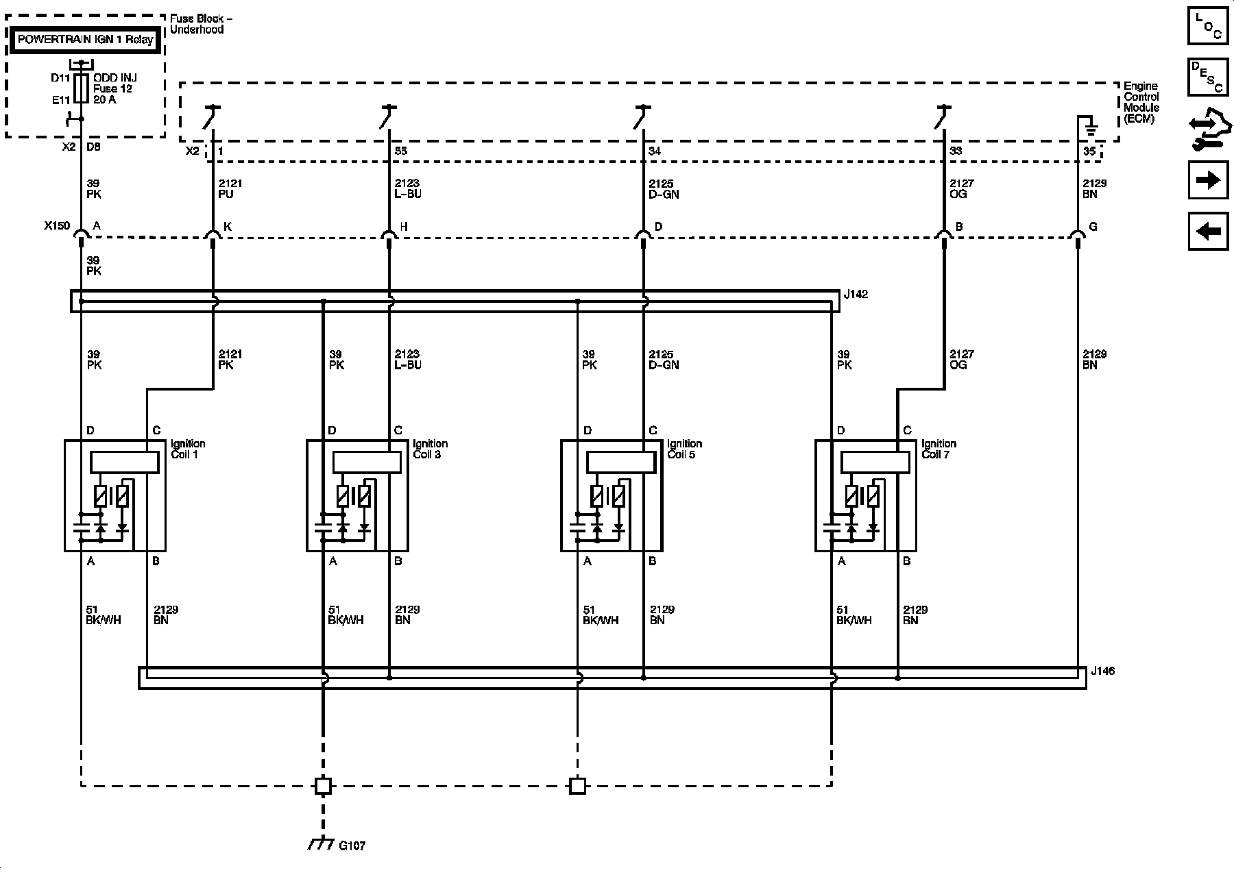
Ignition Controls Bank 1 (Odd) Ignition Coils






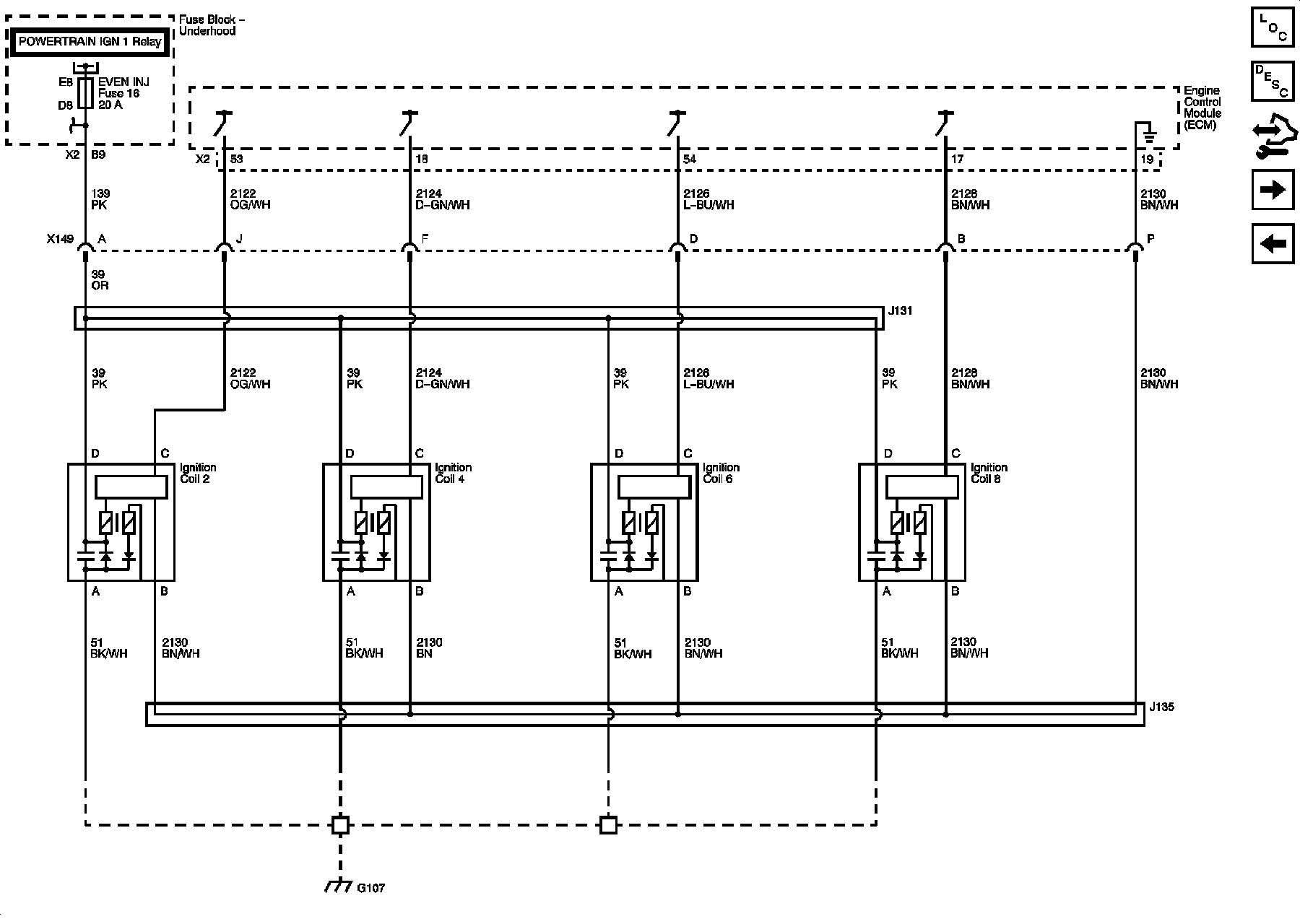
Ignition Controls Bank 2 (Even) Ignition Coils






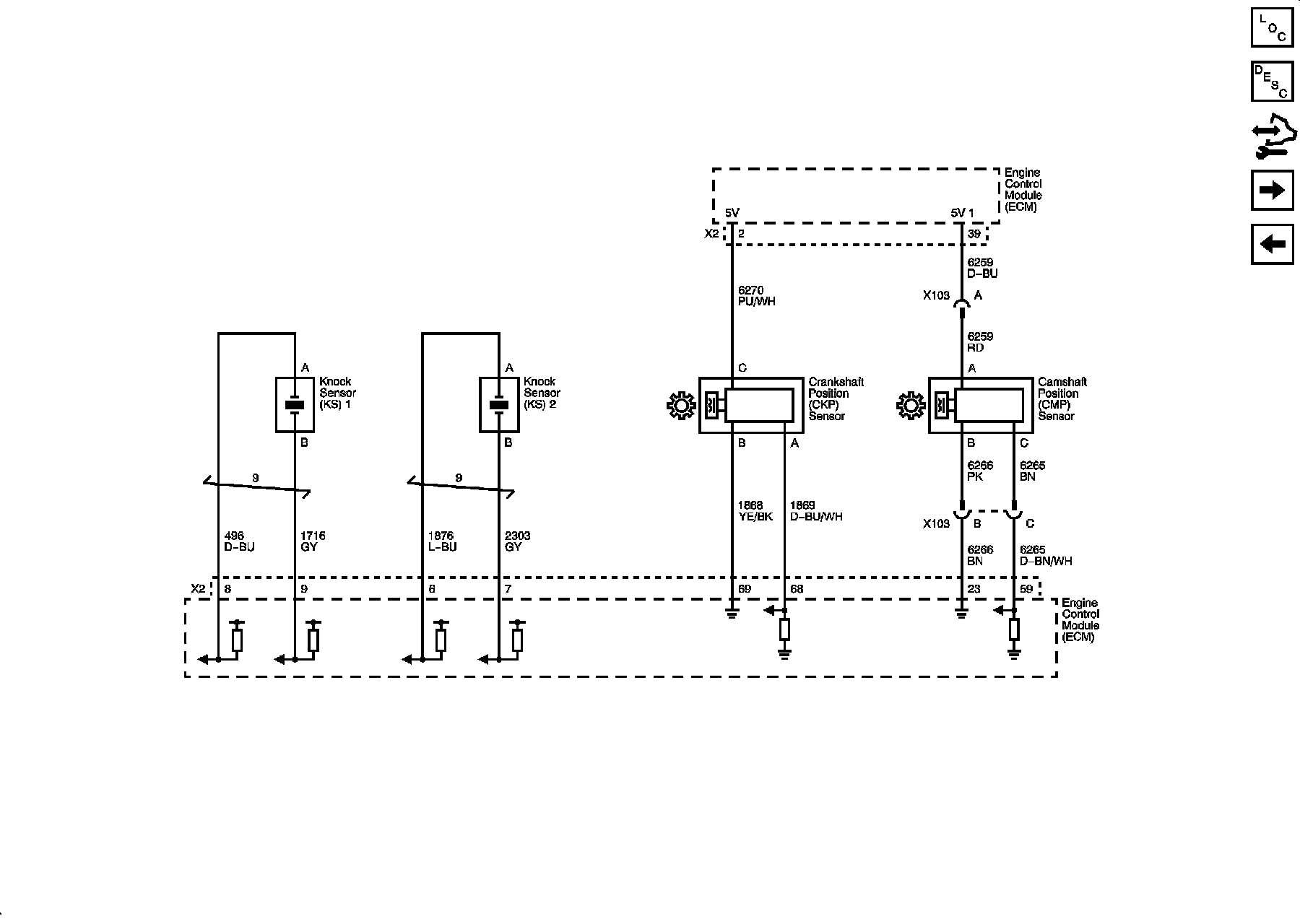
Ignition Controls - CMP, CKP, and KS Sensors






Controlled/Monitored Subsystem References