Curiosii for ever!: Car repair manuals for everyone.

Electrical Diagrams




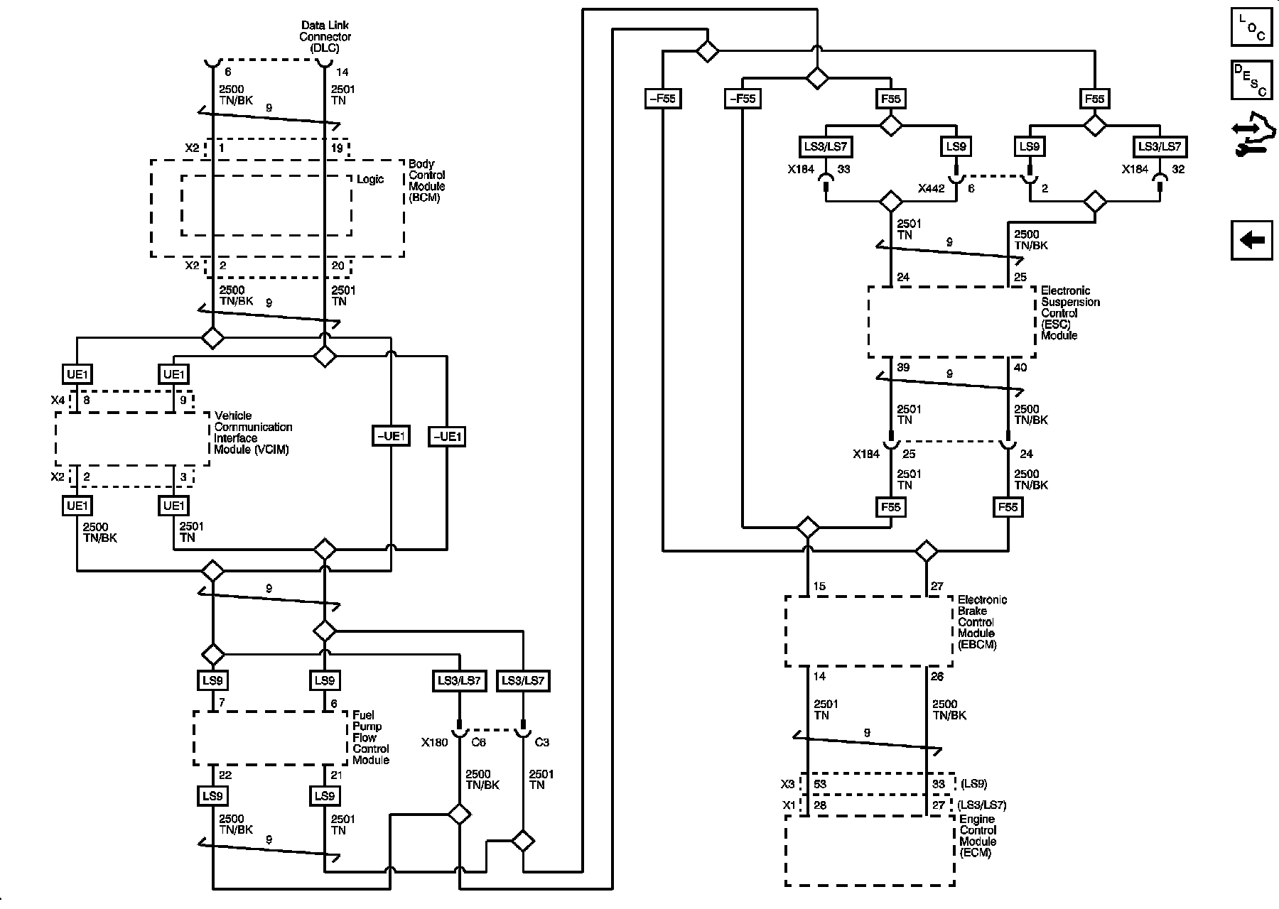
Data Communication Schematics

Power, Ground, and Class 2





High Speed GMLAN - Automatic Transmission





High Speed GMLAN - Manual Transmission