Curiosii for ever!
: Car repair manuals for everyone.
Home
>>
Chevrolet
>>
2010
>>
Corvette V8-6.2L SC
>>
Repair and Diagnosis
>>
Power and Ground Distribution
>>
Diagrams
>>
Electrical Diagrams
>>
Power Distribution Schematics
>>
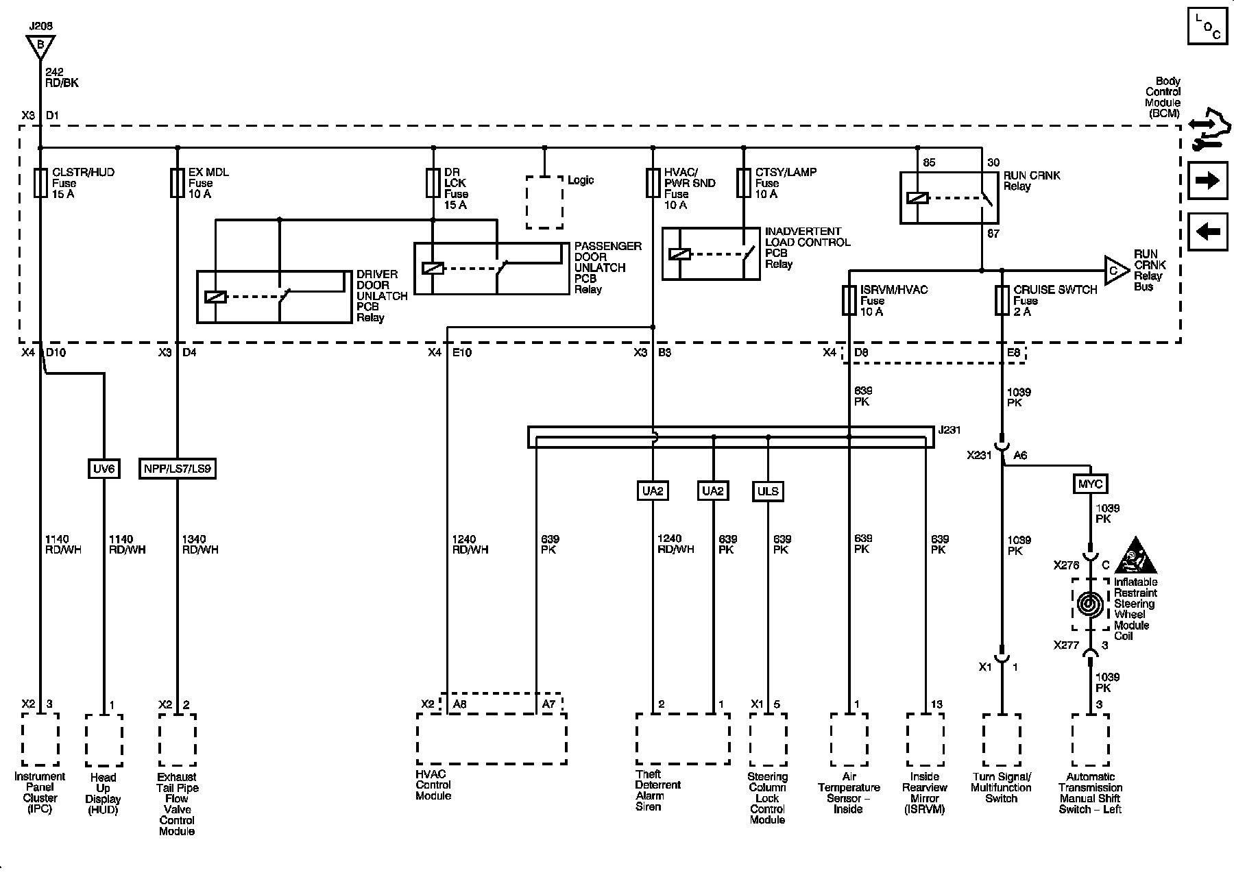
Power Distribution Schematic 8
Power Distribution Schematic 8
Power Distribution Schematics
CLSTR/HUD, CRUISE SWTCH, CTSY/LAMP, DR LCK, EXH MDL, HVAC/PWR SND, and ISRVM/HVAC Fuses